EasyManua.ls Logo

Sony TCM-939 - Schematic Diagram

Sony TCM-939
13 pages
Print Icon
To Next Page IconTo Next Page
To Next Page IconTo Next Page
To Previous Page IconTo Previous Page
To Previous Page IconTo Previous Page
Loading...
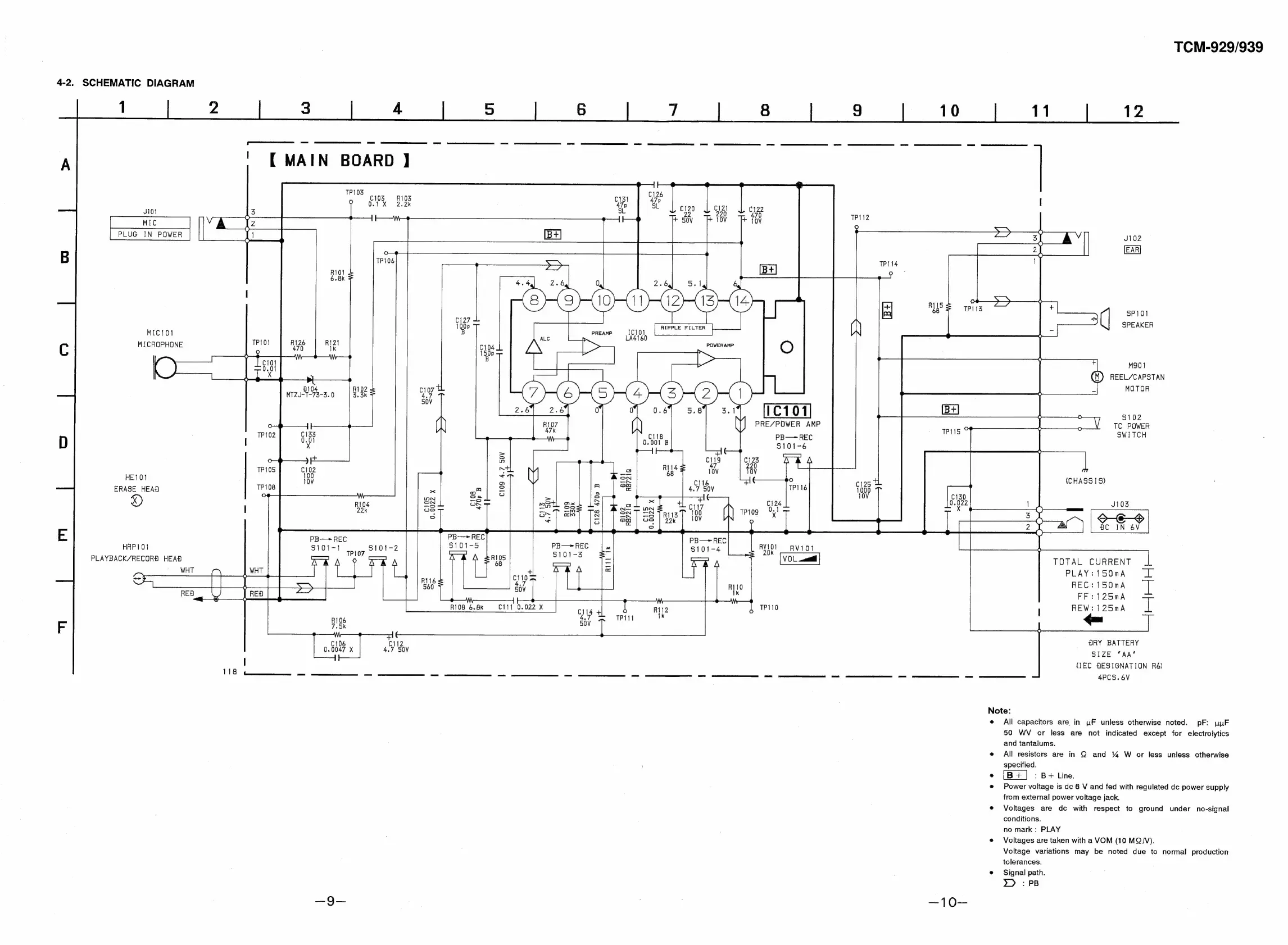
TCM-929/939
4-2.
SCHEMATIC
DIAGRAM
1
2
|
3
|
4
rs)
6
7
8
9g
10
11
12
en
rm
rrr
erm
rrr
ee
oe
A
'
[
MAIN
BOARD
]
TPtOS
103
R103
°
wl
2.2K
J101
As
A
iz
|
PLUG
IN
POWER
Vhs)
[A
|
J102
EAR
B
TP106
R101
18k
=
I
SP101
SPEAKER
MIC1O1
Cc
MICROPHONE
TP1O1
Rize
|
Rize
&
|
£101
-
M901
x
(M)
REEL/CAPSTAN
104
R102
c
=
MOTOR
MTZJ-T-73-3.0
3.
3k
ee
[Vote
pow
0 e
TC
POWER
TP102
C133
PB—=REC
SWITCH
D
x
S101-6
4
5
O
in
TP105
C102
ae
HE101
190
2
(CHASSIS)
[==]
ERASE
HEAD
TP108
>
eval
=
5
:
LON
ose
f=)
©
R104
oa
oR
+
el
axl
LF
J103
I
22k
oS
<
eT
LBF
Te
:
a
8
~
|
oe
3B
as
BC
IN
6V
HRP
101
ae
PLAYBACK/RECORA
HEAB
TOTAL
CURRENT
WHT
oy
PLAY:150mA
“[
7
oe
REC:150mA
“T
RED
FF:
125mA
TL
R108
6.8k
Cllé
+
RI2
1
TP110
I
REW:125mA
R106
eae
TPitt
F
7.5k
I
+
0.0047
X
4.7
S0V
SIZE
“AA‘
|
|
{TEC
BESIGNATION
Ré)
Note:
e
All
capacitors
are
in
uF
unless
otherwise
noted.
pF:
wuF
50
WV
or
less
are
not
indicated
except
for
electrolytics
and
tantalums.
e
All
resistors
are
in
Q
and
%
W
or
less
unless
otherwise
specified.
°
:
B+
Line.
e
Power
voltage
is
de
6
V
and
fed
with
regulated
dc
power
supply
from
external
power
voltage
jack.
e
Voltages
are
de
with
respect
to
ground
under
no-signal
conditions.
no
mark
:
PLAY
e
Voltages
are
taken
with
a
VOM
(10
MQ/V).
Voltage
variations
may
be
noted
due
to
normal!
production
tolerances.
e
Signal
path.
>>
:
PB
—9—
: 7
—10—

Other manuals for Sony TCM-939

Related product manuals