EasyManua.ls Logo

Sony Trinitron PVM-20L2 - Page 143

Sony Trinitron PVM-20L2
174 pages
Print Icon
To Next Page IconTo Next Page
To Next Page IconTo Next Page
To Previous Page IconTo Previous Page
To Previous Page IconTo Previous Page
Loading...
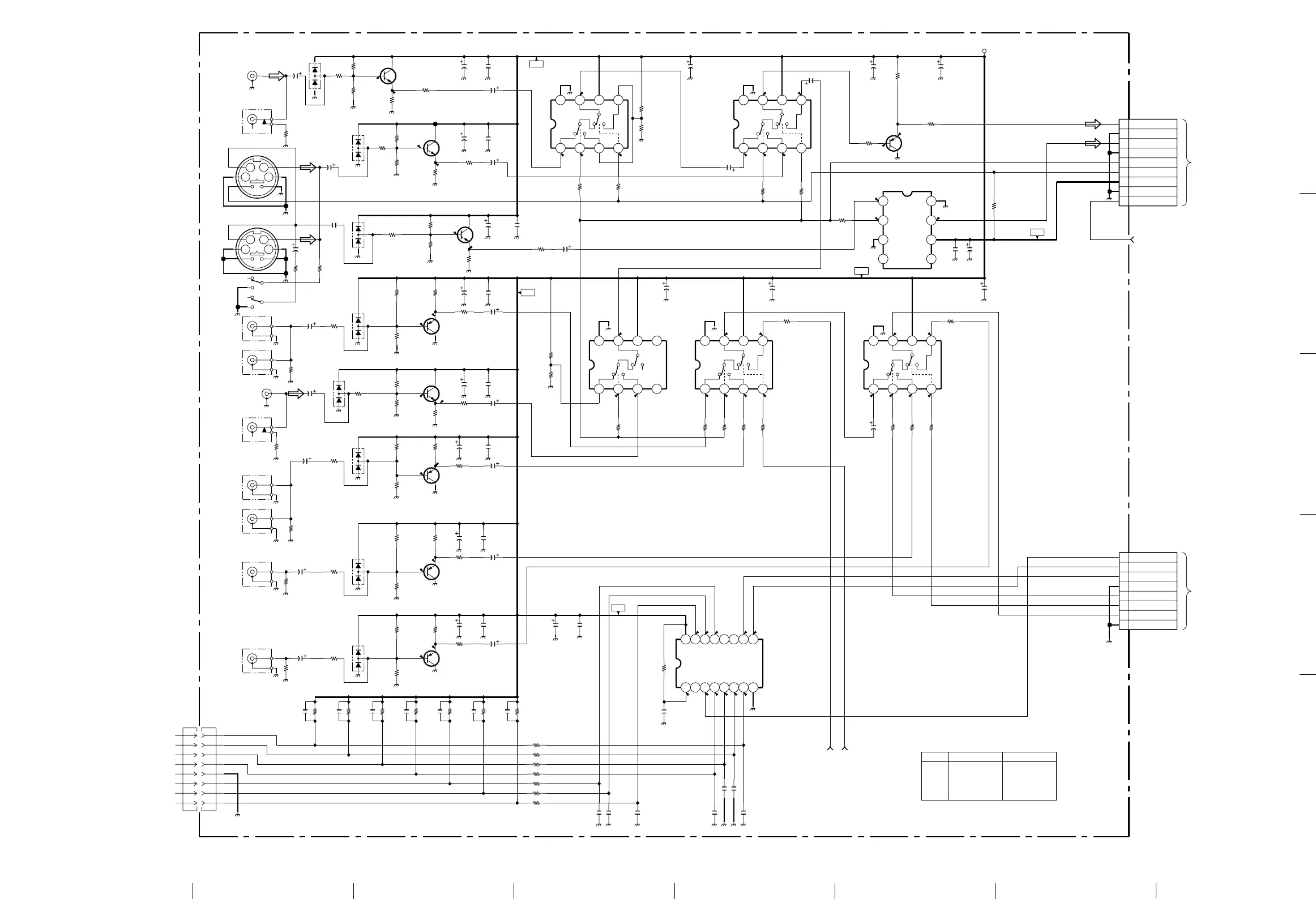
PVM-14L2/20L2
2
3
4
5
1
A BCDEFGH
Q (1/2)Q (1/2)
9
8
7
6
5
4
3
2
1
8 7 6 5
4321
8 7 6 5
4321
8 7 6 5
4321
8 7 6 5
4321
43
21
43
21
8 7 6 5
4321
8
7
6
5
4
3
2
1
8765
4 3 2 1
8
6
4
2
7
5
3
1
16 15 14 13 12 11 10 9
87654321
Q2770
D2770
Q2760
D2760
Q2750
D2750
D2740
Q2740
Q2730
Q2720
D2730
D2720
Q2710
Q2700
D2710
D2700
Q2780
IC2781
IC3770
IC2783
IC2780
IC2782
IC2785
IC2784
CN2705
C2705
C2704
C3786C3785C3784C3783C3782C3781
C3780
C3771
C2720
R3784
R3783
R3782
R3781
R3780
R3779
R3778
R3777
R3776
R3775
R3774
R3773
R3772
R3771
R3770
R2797
R2796
R2795
R2794
R2793
R2792
R2791
R2790
R2789
R2788
R2787
R2786
R2785
R2784
R2783
R2782
R2781
R2780
R2775
R2774
R2773
R2772
R2771
R2765
R2764
R2763
R2762
R2761
R2755
R2708
R2709
R2754
R2753
R2752
R2751
R2745R2744
R2743
R2742
R2741
R2735
R2734
R2733
R2732
R2731
R2726
R2725
R2724
R2723
R2722
R2721
R2715
R2714
R2713
R2712
R2711
R2705
R2704
R2703
R2702
R2701
C3779
C3778
C3777
C3776
C3775
C3774
C3773
C3772
C2792
C2772
C2762
C2752
C2742
C2732
C2722
C2712
C2702
CN2707
C2793
C2791
C2719
R2720
R2710
C2721
C2703
C2701
C2700
R2700
C2790
C2789
C2787
C2785
C2783
C2782
C2780
R2706
*
*
R2707
C3770
C2773
C2771
C2770
R2770
C2763
C2761
C2760
R2760
C2753
C2751
C2750
R2750
C2743
C2741
C2740
R2740
C2733
C2731
C2730
R2730
C2713
C2711
C2710
J2712
J2711
J2709
J2708
J2707
J2702
J2706
J2705
J2704
J2701
CN2701
CN2703
CN2702
*
*
AUDIO OP2 BUFFER
-QR
2SA1037AK-T146
1SS226-TE85L
AUDIO OP1 BUFFER
-QR
2SA1037AK-T146
1SS226-TE85L
AUDIO.B.BUFFER
-QR
2SA1037AK-T146
1SS226-TE85L
1SS226-TE85L
VIDEO.B.BUFFER
2SC2412K-T146-QR
AUDIO.A.BUFFER
-QR
2SA1037AK-T146
C.BUFFER
2SC2412K-T146-QR
1SS226-TE85L
1SS226-TE85L
Y.BUFFER
2SC2412K-T146-QR
VIDEO.A.BUFFER
2SC2412K-T146-QR
1SS226-TE85L
1SS226-TE85L
BUFFER
-QR
2SA1037AK-T146
VIDEO SW
NJM2233BM(TE2)
SHIFT REGISTER
BU4021BF-E2
AUDIO SW 1
MM1113XFBE
VIDEO SW
MM1113XFBE
VIDEO SW
MM1113XFBE
C SW
NJM2233BM(TE2)
AUDIO SW 2
MM1113XFBE
:S-MICRO
WHT-L
9P
16V
22
16V
22
B:CHIP
0.022
B:CHIP
0.022
B:CHIP
0.022
B:CHIP
0.022
B:CHIP
0.022
B:CHIP
0.022
B:CHIP
0.022
B:CHIP
16V
0.047
B:CHIP
0.1
:CHIP
33k
:CHIP47k
:CHIP47k
:CHIP47k
:CHIP47k
:CHIP47k
:CHIP47k
:CHIP47k
:CHIP
10k
:CHIP
10k
:CHIP
10k
:CHIP
10k
:CHIP
10k
:CHIP
10k
:CHIP
10k
:CHIP
1k
:CHIP
1k
:CHIP
1k
:CHIP
1k
:CHIP
1k
:CHIP
1k
:CHIP
1k
:CHIP
1k
:CHIP
1k
:CHIP
1k
:CHIP
1k
:CHIP
82
:CHIP
3.3k
:CHIP
330
:CHIP
1k
:CHIP
1k
:CHIP
1k
:CHIP
1k
:CHIP
100
:CHIP
15k
:CHIP
220k
:CHIP
560k
:CHIP
100k
:CHIP
100
:CHIP
15k
:CHIP
220k
:CHIP
560k
:CHIP
100k
:CHIP
100
:CHIP
22k
:CHIP
22k
:CHIP
15k
:CHIP
220k
:CHIP
560k
:CHIP
100k
:CHIP
330
:CHIP
1k
:CHIP
56k
:CHIP
68k
:CHIP
1k
:CHIP
100
:CHIP
15k
:CHIP
220k
:CHIP
560k
:CHIP
100k
:CHIP
1k
:CHIP
330
:CHIP
3.9k
:CHIP
56k
:CHIP
68k
:CHIP
1k
:CHIP
330
:CHIP
1k
:CHIP
56k
:CHIP
68k
:CHIP
1k
:CHIP
330
:CHIP
1k
:CHIP
56k
:CHIP
68k
:CHIP
1k
B:CHIP
0.001
B:CHIP
0.001
B:CHIP
0.001
B:CHIP
0.001
B:CHIP
0.001
B:CHIP
0.001
B:CHIP
0.001
B:CHIP
0.001
F:CHIP
0.01
F:CHIP
0.022
F:CHIP
0.022
F:CHIP
0.022
F:CHIP
0.022
F:CHIP
0.022
F:CHIP
0.022
F:CHIP
0.022
F:CHIP
0.022
:S-MICRO
WHT-L
8P
16V
47
16V
22
10
:RN
1/2W
75
:RN
1/2W
75
16V
22
16V
22
16V
22
16V
22
:RN
1/2W
75
10
16V
47
16V
47
16V
47
16V
47
16V
47
16V
47
:CHIP
22k
:CHIP
22k
16V
47
10
16V
22
10
:RN
1/2W
82k
10
16V
22
10
:RN
1/2W
82k
10
16V
22
10
:RN
1/2W
82k
16V
22
16V
22
16V
22
:RN
1/2W
75
10
16V
22
10
:RN
1/2W
82k
16V
22
16V
22
16V
22
#
#
#
#
#
#
#
#
#
#
8P
EXT SYNC
LINE/RGB
5V
AUDIO-RGB
CN105
(1/5)
B BOARD
TO
CN103
(1/5)
B BOARD
TO
(B-SS9715-WW-UC-Q-P1)
(P2)
(P2)
(P2)
(1/2)
Q
LINE A/S
LINE A/B
AUDIO-OPT- 1/2
VIDEO
LINE A
Y/C IN
Y/C OUT
AUDIO
LINE B
VIDEO
AUDIO
OP AUDIO 1
OP AUDIO 2
EXT SYNC
L
HL
HL
HL
SCLK-PREMO
SLOT-PREMO
MISO-PREMO
LINE/OPTION
GND
AUDIO
GND
GND
+5V
GND
CS
GND
VIDEO/Y
HL
HL
IN
HL
HL
IN
OUT
IN
OUT
IN
OUT
IN
OUT
IN
VSS
P1
P2
P3
P4
Q8
Q6
PB
P/S
C
DS
Q7
P5
P6
P7
VDD
HL
HL
MODULAR
JACK
R2706
R2707
R2708
R2709
SUFFIX:11 SUFFIX:12
NM 22k
*:
+5V
+5V
+5V
+5V
+5V
2.8
1.6
2.2
1.6
2.2
2.1
1.6
2.1 1.4
1.6
2.2
2.2
1.6
1.4
2.1
1.4
2.0
5.0
5.0
5.0
5.0
5.0
5.0
5.0
5.0
5.0
5.0
5.0
0
2.8
0
2.8
2.8
2.0
3.0
0
0.3
0
2.8
0
2.8
2.0
0
0
2.7
2.0
2.8
0
2.0
0.3
1.3
0
3.0
1.3
2.2
1.9
VIDEO
Y
VIDEO
C
VIDEO/Y
C
9-39-3

Table of Contents

Related product manuals