EasyManua.ls Logo

Sony Trinitron PVM-20L2 - Page 144

Sony Trinitron PVM-20L2
174 pages
Print Icon
To Next Page IconTo Next Page
To Next Page IconTo Next Page
To Previous Page IconTo Previous Page
To Previous Page IconTo Previous Page
Loading...
PVM-14L2/20L2
2
3
4
5
ABCDEFGH
1
Q (2/2)Q (2/2)
8
7
6
5
4
3
2
1
R3733
Q3740
D3740
Q3730
D3730
Q3721
Q3722
Q3720
D3720
D3710
Q3710
Q3712
Q3711
Q3703
Q3701
Q3702
Q3700
D3700
CN2710
R3727
R3717
R3707
R3726
R3716
R3706
R3734
R3732
R3724
R3714
R3704
C3721
C3711
C3701
R3745
R3744
R3743
R3742
R3741
R3735
R3731
R3725
R3723
R3722
R3721
R3715
R3713
R3712
R3711
R3708
R3705
R3703
R3702
R3701
C3742
C3732
C3725
C3723
C3715
C3713
C3705
C3703
D3731
D3722
D3721
D3712
D3711
D3702
D3701
C3743
C3741
R3740
C3740
C3731
C3730
R3730
C3724
C3722
C3720
R3720
C3714
C3704
C3712
C3710
R3710
C3702
C3700
R3700
J2710
J2703
J2720
J2719
J2718
J2717
J2716
J2715
J2714
J2713
:CHIP
15k
AUDIO.RGB.BUFFER
-QR
2SA1037AK-T146
1SS226-TE85L
SYNC.BUFFER
2SC2412K-T146-QR
1SS226-TE85L
R.BUFFER
2SC2412K-T146-QR
DTA144EKA-T146
-QR
2SA1037AK-T146
1SS226-TE85L
1SS226-TE85L
-QR
2SA1037AK-T146
DTA144EKA-T146
R.BUFFER
2SC2412K-T146-QR
DTC144EKA-T146
R.BUFFER
2SC2412K-T146-QR
DTA144EKA-T146
-QR
2SA1037AK-T146
1SS226-TE85L
:S-MICRO
BLK-L
8P
:CHIP
33
:CHIP
33
:CHIP
33
:CHIP
100k
:CHIP
100k
:CHIP
100k
:CHIP
1k
:CHIP
47k
:CHIP
100k
:CHIP
100k
:CHIP
100k
B:CHIP
0.01
B:CHIP
0.01
B:CHIP
0.01
:CHIP
100
:CHIP
15k
:CHIP
220k
:CHIP
560k
:CHIP
100k
:CHIP
330
:CHIP
1k
:CHIP
100
:CHIP
2.2k
:CHIP
100
:CHIP
47k
:CHIP
100
:CHIP
2.2k
:CHIP
100
:CHIP
47k
:CHIP
10k
:CHIP
100
:CHIP
2.2k
:CHIP
100
:CHIP
47k
F:CHIP
0.022
F:CHIP
0.022
F:CHIP
0.022
F:CHIP
0.022
F:CHIP
0.022
F:CHIP
0.022
F:CHIP
0.022
F:CHIP
0.022
MA111-TX
MA111-TX
MA111-TX
MA111-TX
MA111-TX
MA111-TX
MA111-TX
10
16V
22
:RN
1/2W
82k
10
16V
22
16V
22
:RN
1/2W
75
16V
22
16V
22
16V
22
:RN
1/2W
75
16V
22
16V
22
16V
22
16V
22
:RN
1/2W
75
16V
22
16V
22
:RN
1/2W
75
#
#
#
#
#
#
#
#
#
#
EXT SYNC
LINE/RGB
-5V
5V
AUDIO-RGB
CN104
(1/5)
B BOARD
TO
(2/2)
(B-SS9715-WW-UC-Q-P2)
Q
(P1)
(P1)
(P1)
LINE/RGB
-5V
R/R-Y
B/B-Y
OUT
IN
EXT SYNC
AUDIO
IN
OUT
OUT
IN
OUT
IN
OUT
IN
G-Y
B/B-Y
G-Y
R/R-Y
GND
B/B-Y
GND
G/Y
GND
R/R-Y
-5V
-5V
+5V
+5V
+5V
1.5
2.1
0.6
1.2
-4.8
-5.0
0
-1.0
-5.0
5.0
-4.8
-5.0
0
-1.1
-5.0
5.0
0
5.0
-4.8
-1.3
5.0
-5.0
0
-5.0
R/R-Y
B/B-Y
G/Y
R/R-Y
B/B-Y
G/Y
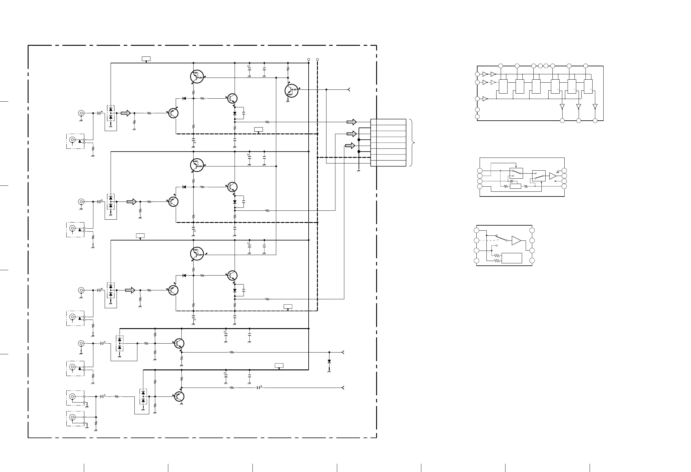
Q (1/2) BU4021BF-E2 (IC3770)
9
P/S
DQ
C
11
D
S
7
P1
10
CLOCK
DQ
C
6
P2
DQ
C
5
P3
DQ
C
14
P6
DQ
C
15
P7
D
C
1
P8
2
Q6
12
Q7
3
Q8
QQQ
8
GND
16
4
P4
13
P5
SW2
VCC
IN1
SW1
IN2
GND
OUT
IN3
1
2
3
4
5
6
7
8
BIAS
SW
SW
BUFFER
1
2
3
4
5
6
7
GND
VCC
NC
NC
8
BIAS
Q (1/2) MM1113XFBE (IC2780, IC2782, IC2783, IC2784)
Q (1/2) NJM2233BM (TE2) (IC2781, IC2785)
9-4 9-4

Table of Contents

Related product manuals