EasyManua.ls Logo

Sony WM-BF49 - Page 7

Sony WM-BF49
10 pages
Print Icon
To Next Page IconTo Next Page
To Next Page IconTo Next Page
To Previous Page IconTo Previous Page
To Previous Page IconTo Previous Page
Loading...
3-2,
MIN
=
MAX
3.
3k
10
=|
17
12,
RI14
47k
R214
47k
Cit
2208
4V
L
OUT
LORCIONE
(4/2)
POWER
AMP
C110
10002
RV301
l
VOLUME
RIV1
15k
th
“4
jaa
LIN,
R112
100
C109
330p
RV301-1
10K
Qo
xo
>
a
R212
100
tt
RV301-2
10K
C308
100p
C307
2200
74
0.
0068
#
RIPPLE
FILTER
CXA1249M
C602
D.
0228
Q301
2SC1623L5L6
0.
068
«
MEGA
BASS
V
Ea
OFF
—»
ON
IC601
MOTOR
DRIVE
R601
820
13
CNS
A
SY
SS
Se
ee
Ge
Oe
ee
ee
wy
ee
14
15
cas:
|
1
$306
FUNCTION
TAPE
|
—»
[RADIO]
:
(RADIO
OFF)
|
:
a
J302
PHONES
—s
7
O
SMC)
d
af
1
tT
i]
,
I
&
'
-
O
Sree
en
ey
By
ar
ae
x
a
ty
t
t
}
©
M601
aa
er
J304
[DC
IN
3V}
C603
108
/16
IC601
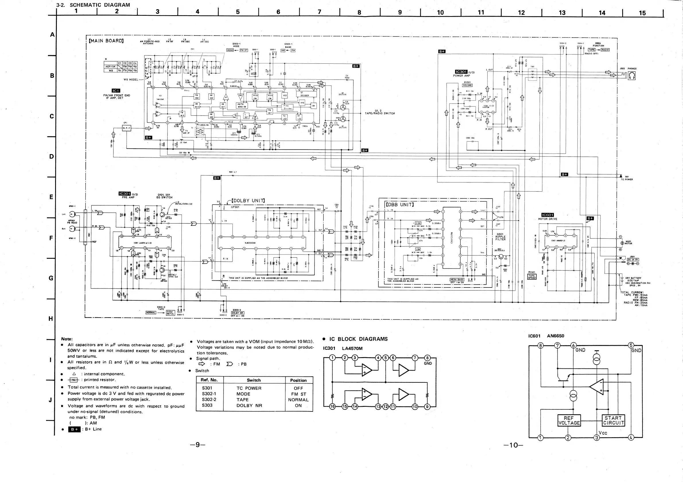
SCHEMATIC
DIAGRAM
| |
[,.
4
L2 L3
L4
1
(MA
IN
BOARD]
se
ee
es
al
FM
RF
FM
OSC
AM
OSC
ee
Saneus
|
MODE
.
BAND
cvi
|
MONO|
«—
$302-1
ake
[AM]
<—
|
:
|
5
|
sca
[ea
[cs
ca
|
RERZOR
|\
e2e|
29 op
E
|
we
_|
Sp
[27
|
30p]
130)
*s
ue
3
|
FE
a
|
a08
}
WG
MODEL
——
C7
O.47p
0.95
areff
ark
|
FM/AM
FRONT
END
IF
AMP,
DET
g
|
2
a
C4)
:
,
TAPE/RADIO
SWITCH
|
Et
;
C16
ootes
|
prea
lark
|
eaih
ie
ot
~
aie
©
R301
4.7
|
Te
1/2)
Q101,
201
PRE
AMP
°
EQ
SWITCH
a
METAL/CrO8:
2.2
108
[(DBB
UNIT]
al
ee
Eo
one
Se
‘Leh
—™
:
8
‘.
-
a
é
1206
&/ss
38
=
:
O
O
PB
MEAD
7
a
U
0
|
.
Reh
—_
|
-
.
HP301-2
|
|
i
:!
pepe
LOW
i
=
aoe
;
8
8
|
|
jaa
4
$302-2
|
.
TAPE
i?
y
y
|
$303-2
gp
|Cr02/
CJ
l
$302-2 $303-2
:
.
;
:
e
IC
BLOCK
DIAGRAMS
bakkie:
;
F
e
Voltages
are
taken
with
a
VOM
(input
impedance
10
MQ).
e
.
or
Saas
esau
vere
Siar
otherwise
noted.
pF:
HBF
Voltage
variations
may
be
noted
due
to
normal
produc-
1c301
LA4570M
50
or
less
are
not
indicated
except
for
electrolytics
tion
tolerances.
and
tantalums:
@
Signal
path.
|
e
All
resistors
are
in
2
and
!/,W
or
less
unless
otherwise
“>
:FM
SD
:PB
ecified.
;
-
@
Switch
e
Q
:
internal
component.
©
-Ge}
:
printed
resistor.
|
RefNo.
|
Switch
|
Position
e
Total
current
is
measured
with
no
cassette
installed.
TC
POWER
OFF
e@
Power
voltage
is
dc
3
V
and
fed
with
regurated
dc
power
MODE
FM
ST
supply
from
external
power
voltage
jack.
TAPE
NORMAL
®
Voltage
and
waveforms
are
dc
with
respect
to
ground
‘DOLBY
NR
ON
under
no-signal
(detuned)
conditions.
no
mark:
PB,
FM
(
):
AM
e
Ea:
B+
Line
AN6650
Bier
aa
DRY
BATTERY
SIZE
"AA*
(EC
DESIGNATION
R6)
2Pcs
,
3V
TOTAL
CURRENT
TAPE
FWD:
90mA
FF:
@5mA
5mA
REW:
RADIO
FM:
25mA
AM:
18mA

Related product manuals