EasyManua.ls Logo

Sony XM-3040F - Page 2

Sony XM-3040F
13 pages
Print Icon
To Next Page IconTo Next Page
To Next Page IconTo Next Page
To Previous Page IconTo Previous Page
To Previous Page IconTo Previous Page
Loading...
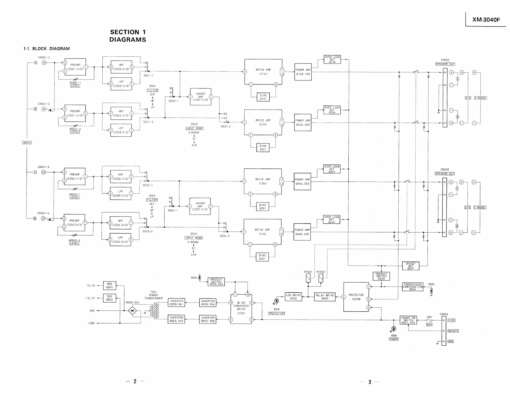
1-1.
BLOCK
DIAGRAM
CNSO1-1
CN501-2
-—B
Over
INPUT
CNSO1-3
-—[C]
CNS01-4
PREAMP
10501
(1/2)
LEVEL
PREAMP
10501
(1/2)
LEVEL
PREAMP
1C502
(1/2)
VR502-1
LEVEL
PREAMP
1C502
(1/2)
-15.7V
SECTION
1
DIAGRAMS
1C504
(1/2)
1€503
(1/2)
10504
(1/2)
10503
(1/2)
1C506
(1/2)
FC505
(1/2)
1506
(1/2)
C505
(1/2)
553,
554
28V
<
-28V
<
INVERTER
Q5539,
561
INVERTER
Q560,
542
INVERTER
Q555,
556
INVERTER
Q557,
558
5501
FILTER
OFF
INVERT
i
AMP
Hp
5503-1
1C507
(1/2)
{
LL
LP
—p>
>
>
5501-2
Lp
$503
eate
INPUT
MODE
*
A
(MONG)
{
ST
i
A+B
$502-1
$502
FILTER
OFF
INVERT
1
+>
AMP
HP
5504-1
IC507
(1/2)
1
LP
$502-2
5504
5504-2
INPUT
MODE
C
(MONO)
t
ST
{
c+
551
[fl
PROTECT
SWITCH
Q553,
554
T551
POWER
TRANSFORMER
CONVERTER
DRIVE
10551
BRIVE
AMP
POWER
AMP
OVER LOAD
BET
Q104
XM-3040F
CN502
SPEAKER
OUT
t
CO
aa
ce
zane.
10101
Q102,
103
BRIVE
AMP
POWER
AMP
OVER
LOAD
BET
Q204
n
CH
A+B]
[A
(MONO)
|
CO-
[B]
1€201
Q202,
203
BRIVE
AMP
10301
POWER
AMP
Q302,
303
BRIVE
AMP
POWER
AMP
OVER
LOA
ven
304
CN503
SPEAKER
OUT
C+p}
|C
(MONG)
1c401
Q402,
403
£509
PROTECTOR
RELAY
ARIVE
Q505
x
La
ee
PROTECT
SWITCH
Q503
if
DET
PROTECTOR
1C508
POWER
ON
SWITCH
[+12V]
g551,
552
by
REMOTE
9508
POWER
GNA

Related product manuals