EasyManua.ls Logo

SOR V1 - Page 12

SOR V1
16 pages
Print Icon
To Next Page IconTo Next Page
To Next Page IconTo Next Page
To Previous Page IconTo Previous Page
To Previous Page IconTo Previous Page
Loading...
Registered Quality System to ISO 9001 | 913-888-2630 | SORInc.com
12/16
Form 281 (05.18) ©SOR Inc.
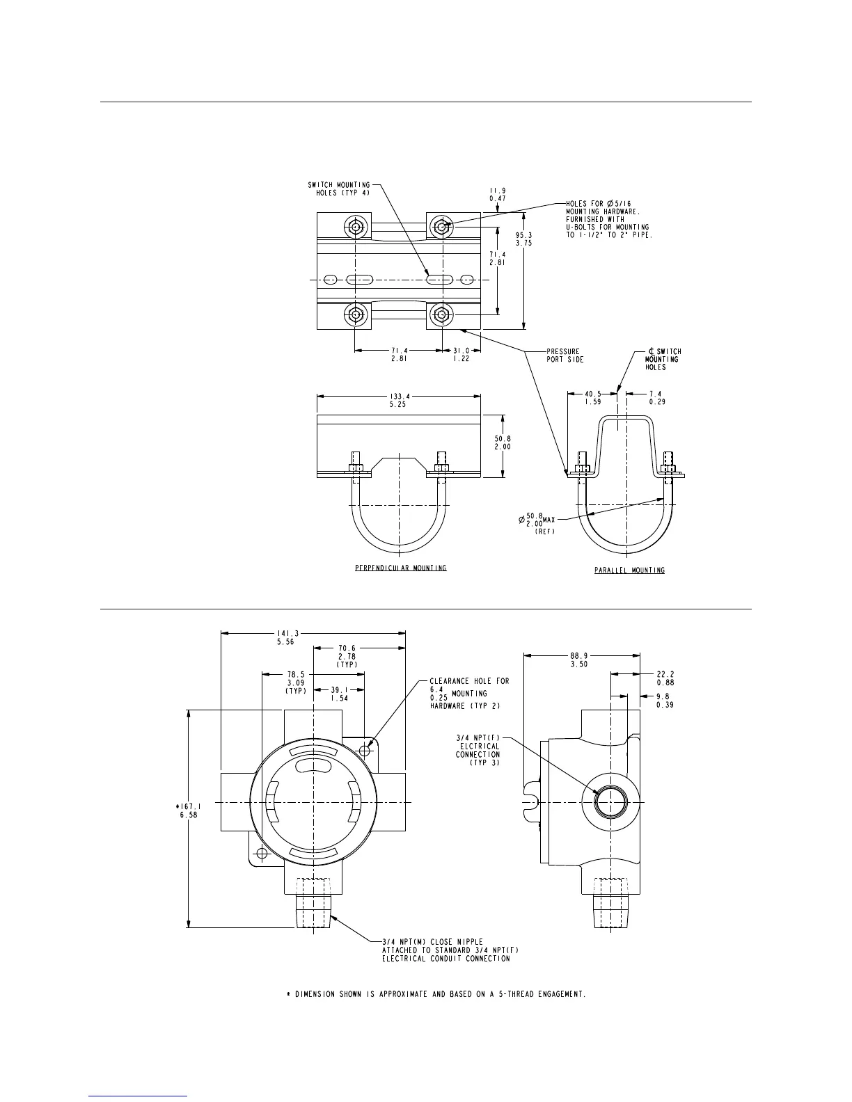
Adjustable Dead Band
Pressure Switches
Dimensions
Dimensions in this catalog are for reference only. They may be changed without notice. Contact the
factory for certified drawings for a particular model number. Dimensions are expressed as millimeters
over inches (Linear = mm/in.).
Pipe Mounting Kit: PK
Junction Box with Terminal Block: TB
Drawing 0090300
Drawing 0091353

Related product manuals