EasyManua.ls Logo

Sorvall RT/T6000D - Page 137

Sorvall RT/T6000D
302 pages
Print Icon
To Next Page IconTo Next Page
To Next Page IconTo Next Page
To Previous Page IconTo Previous Page
To Previous Page IconTo Previous Page
Loading...
SORVALL®
Centrifuges
rc-ST-i
I
SEE.
Fia. 11
CBI
Rl
115V/
&OHZ
15A
33K
/2W
230V/
50HE
8A
&8K»
/ZW
RT6000
and
T6000
Centrifuges
AL-I-
c^P^oroe-s,
A>ee
i^
(^iCRot-^ie^os.
^L.L
Resf&Toiss
t^se
i^
on^-s,
l/4vv,*9%
uMLe's'^orrteR.wfse
-SP£C(F|EC>.
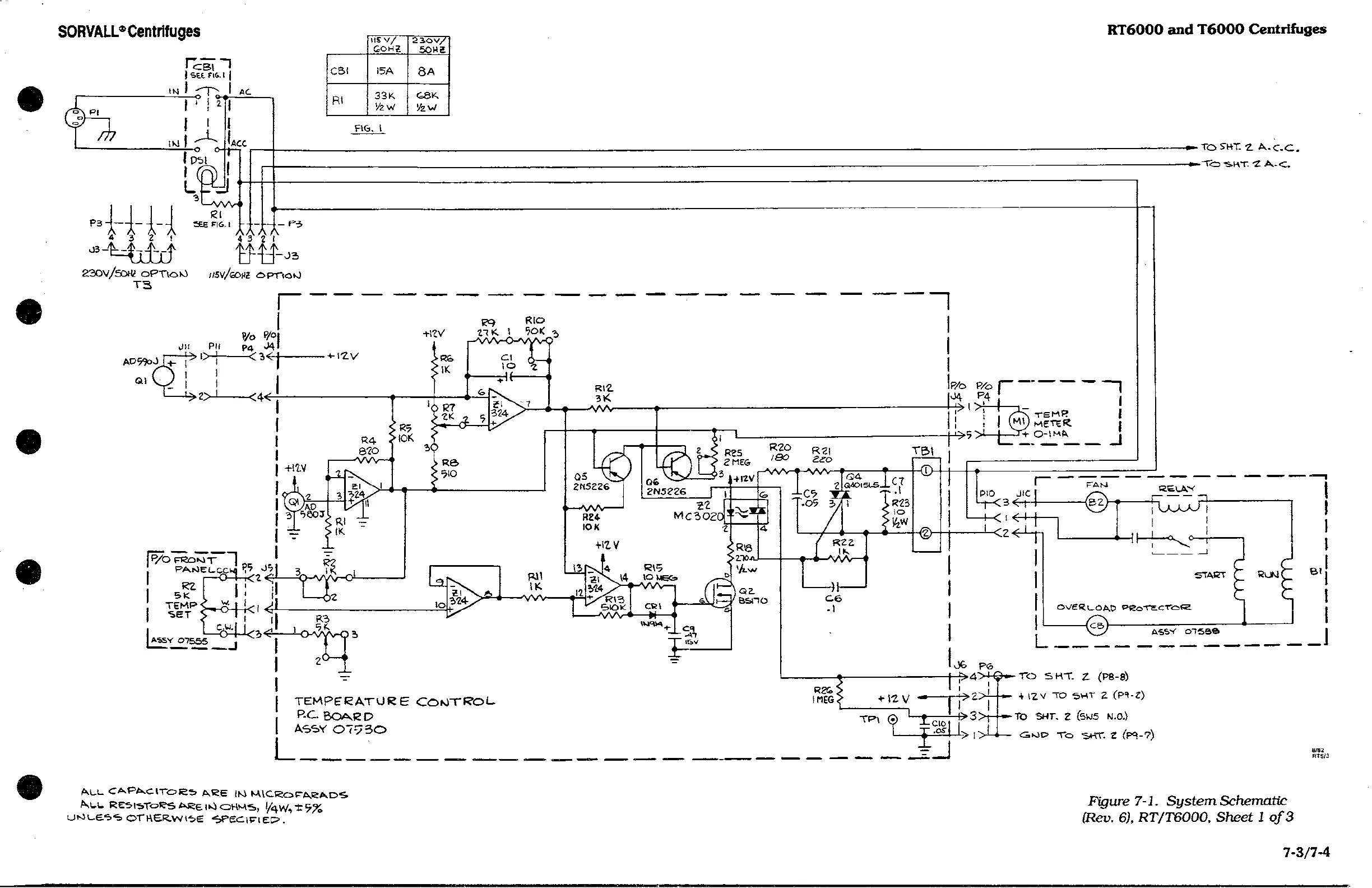
Figure
7-1.
System
Schematic
(Rev.
6),
RT/T6000, Sheet
1
of
3
7-3/7-4

Related product manuals