EasyManua.ls Logo

Sorvall RT/T6000D - Page 140

Sorvall RT/T6000D
302 pages
Print Icon
To Next Page IconTo Next Page
To Next Page IconTo Next Page
To Previous Page IconTo Previous Page
To Previous Page IconTo Previous Page
Loading...
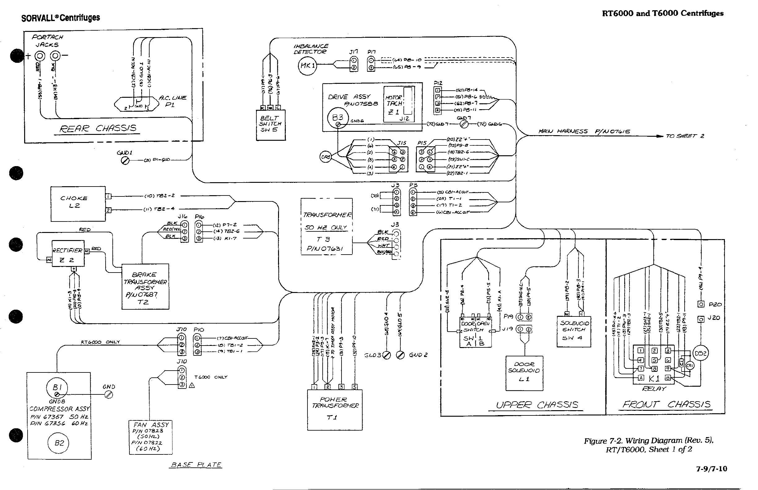
SORVALL®Centrifuges
RT6000
and
T6000
Centrifuges
BASE
PLATE.
7-9/7-10

Related product manuals