EasyManua.ls Logo

Sorvall RT/T6000D - Page 194

Sorvall RT/T6000D
302 pages
Print Icon
To Next Page IconTo Next Page
To Next Page IconTo Next Page
To Previous Page IconTo Previous Page
To Previous Page IconTo Previous Page
Loading...
SORVALLĀ®
Centrifuges
RT6000B
and
T6000B
Centrifuges
Serial Numbers Below
9101800
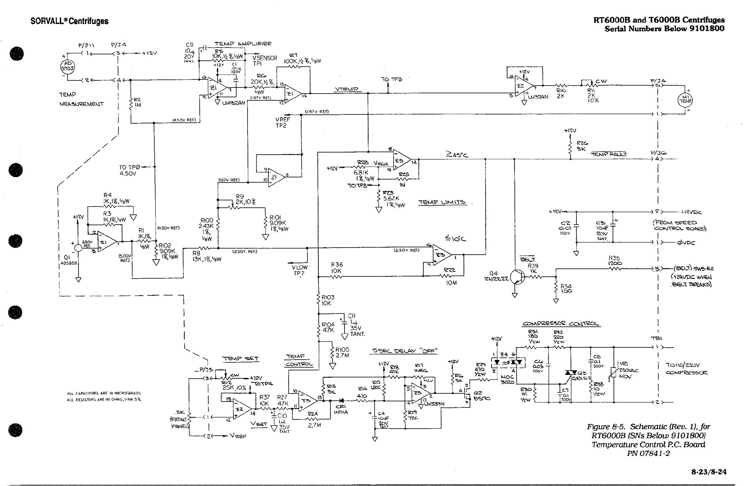
Figure
8-5. Schematic
(Rev.
1),
for
RT6000B
(SNs
Below
9101800)
Temperature
Control
P.C.
Board
PN 07841-2
8-23/8-24

Related product manuals