EasyManua.ls Logo

Sorvall RT/T6000D - Page 220

Sorvall RT/T6000D
302 pages
Print Icon
To Next Page IconTo Next Page
To Next Page IconTo Next Page
To Previous Page IconTo Previous Page
To Previous Page IconTo Previous Page
Loading...
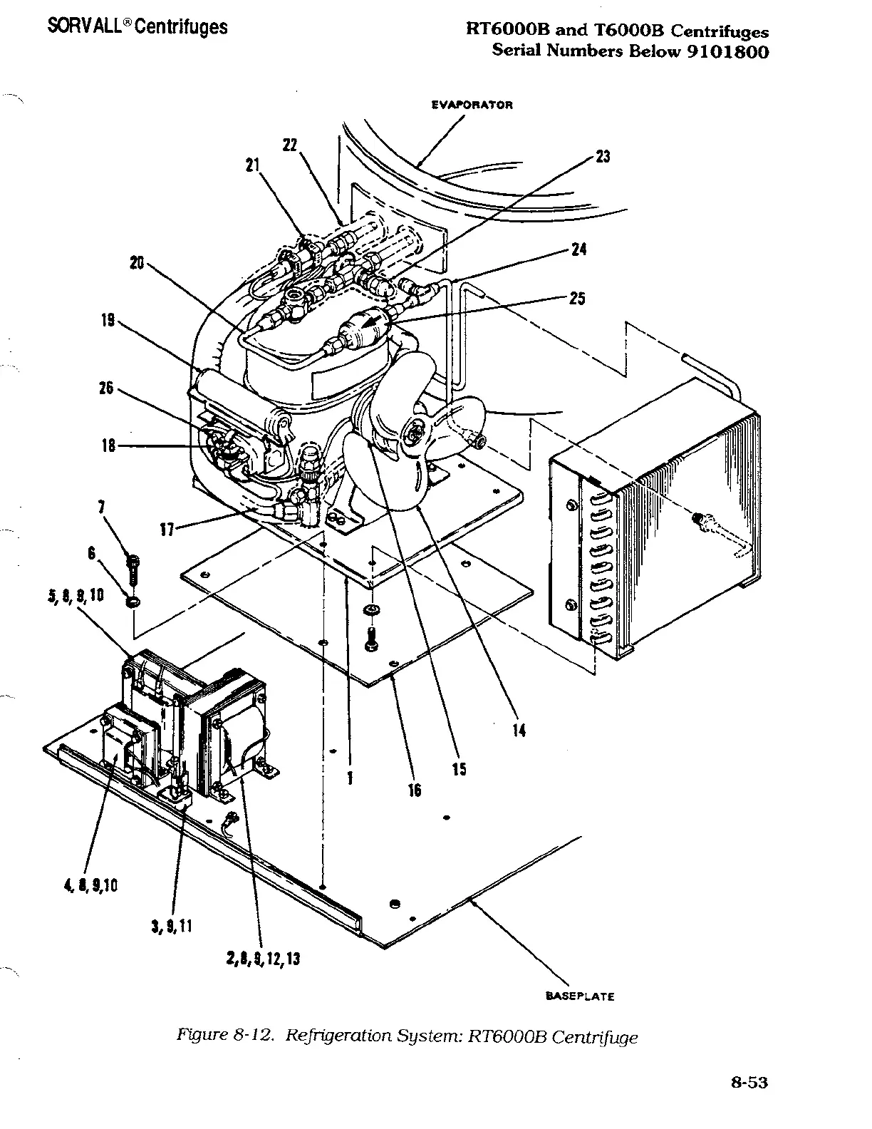
SORVALL®
Centrifuges
RT6000B
and
T6000B
Centrifuges
Serial
Numbers Below
9101800
EVAPORATOR
BASEPLATE
Figure
8-12.
Refrigeration System:
RT6000B
Centrifuge
8-53

Related product manuals