EasyManua.ls Logo

SoundCraft NOTEPAD 102 - BLOCK DIAGRAM - NOTEPAD 102;124; 102;124 Signal Path Overview

SoundCraft NOTEPAD 102
44 pages
Print Icon
To Next Page IconTo Next Page
To Next Page IconTo Next Page
To Previous Page IconTo Previous Page
To Previous Page IconTo Previous Page
Loading...
17
Soundcraft Notepad User Guide
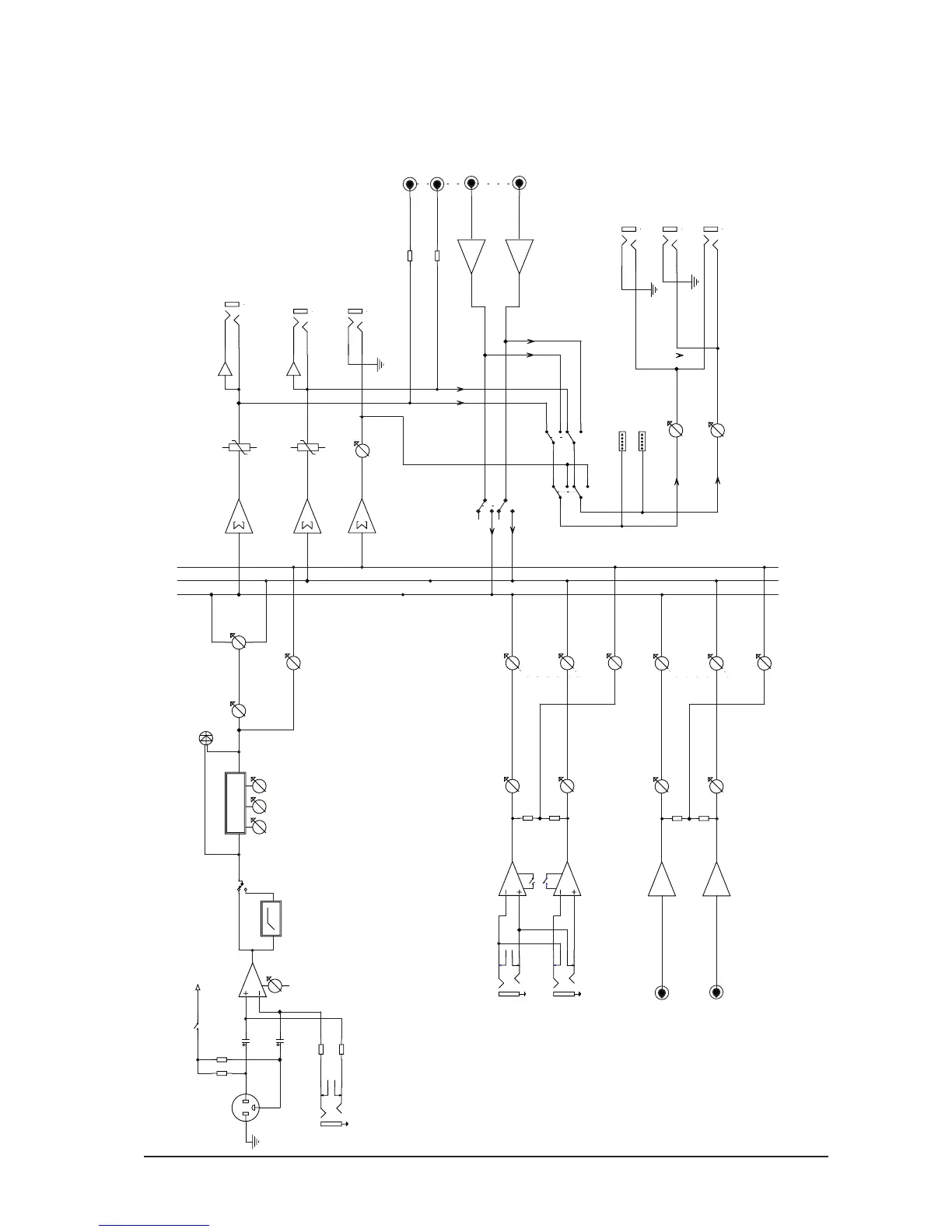
BLOCK DIAGRAM - NOTEPAD 102/124
AUX MIX
STEREO CHANNELS 5 -12 Notepad 124 (3-6 on Notepad 102)
MAIN MIX
MONO CHANNELS 1~4 (1-2 on Notepad 102)
NOTEPAD 102/124 BLOCK DIAGRAM
-
-
MAIN L
AUX
AUX
MAIN R
MAIN R
MAIN L
Global +48V
HIGH PASS
AUX TO
MON
2T RTN R
MAIN FADER
L(5/7/9/11)
REC OUT R
2-TRK TO MAIN
R(6/8/10/12)
PHONES
MID
2T TO MON
GAIN
MIC IN
1 2
3
PAN
LEVEL
L METER
BALANCE
LEVEL
PEAK
AUX SEND
LINE IN
REC OUT L
EQ
MON L
2T RTN L
AUX
100Hz HPF
AUX
MON/PHONES
LEVEL
MAIN R
R METER
MON R
LOW
HIGH
MAIN L
+48V
AUX MASTER
+4/-10
(+4 on
Notepad
102)
STEREO CHANNELS 7 -10 Notepad 102
L(7/9)
R(8/10)
LEVEL
BALANCE
LEVEL
AUX
-10dBV on
Notepad
102)

Related product manuals