EasyManua.ls Logo

Space SQ 300 - Page 76

Space SQ 300
106 pages
Print Icon
To Next Page IconTo Next Page
To Next Page IconTo Next Page
To Previous Page IconTo Previous Page
To Previous Page IconTo Previous Page
Loading...
76
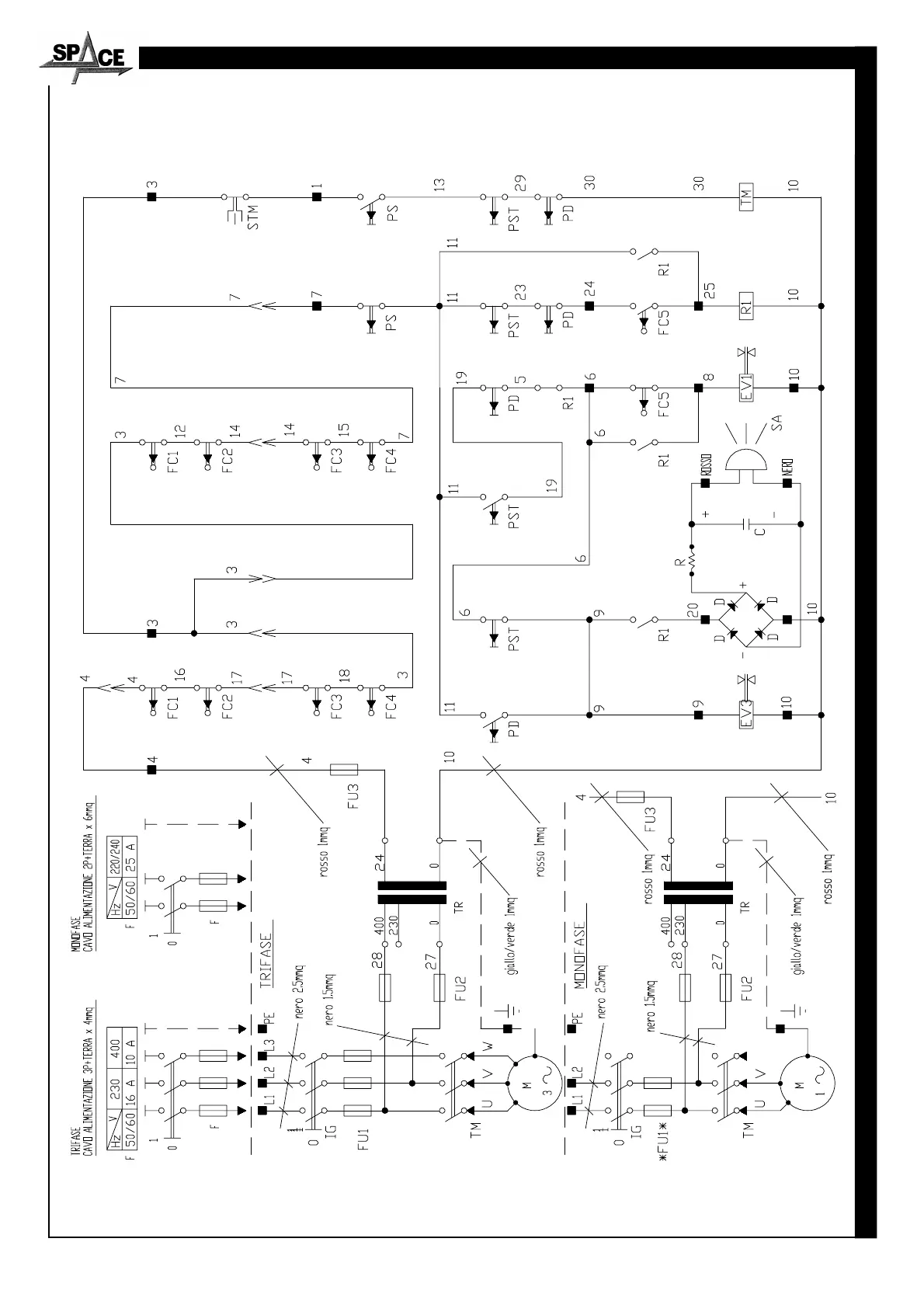
0700-M001-0-P1
SQ 300 - SQ 350 - SQ 351
SQ 355 - SQ 400 - SQ 401 - SQ 405
SQ 501 - SQ 650 - SQ 800
SCHEMA ELETTRICO - WIRING DIAGRAM
RISERVATO AL PERSONALE AUTORIZZATO ALL'INSTALLAZIONE - ONLY FOR INSTALLATION-AUTHORIZED STAFF
IST DEM ZUR INSTALLATION AUTORISIERTEN PERSONAL VORBEHALTEN - SEULEMENT POUR LE PERSONNEL AUTORISE A L'INSTALLATION - RESERVADO AL PERSONAL ENCARGADO DE LA INSTALACION

Table of Contents

Related product manuals