EasyManua.ls Logo

SPE BEF200N - Electrical Diagrams

SPE BEF200N
32 pages
Print Icon
To Next Page IconTo Next Page
To Next Page IconTo Next Page
To Previous Page IconTo Previous Page
To Previous Page IconTo Previous Page
Loading...
BEF200N
PARTS BOOK OIPB-S18001
18
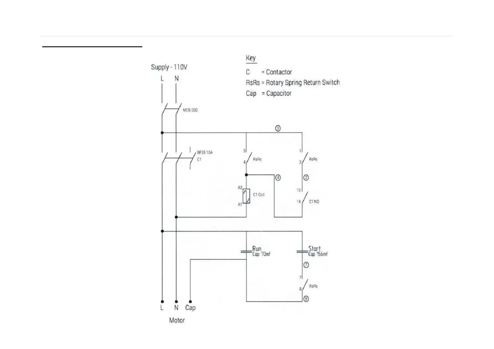
ELECTICAL DIAGRAM
BEF200N-1