EasyManua.ls Logo

SPE HF2-UI - Spécifications

Default Icon
16 pages
Print Icon
To Next Page IconTo Next Page
To Next Page IconTo Next Page
To Previous Page IconTo Previous Page
To Previous Page IconTo Previous Page
Loading...
Spécifications:
Système à haute fréquence à technologie avancée
Tension d'entrée universelle: 85Vac÷264Vac, 50Hz÷60Hz
Processus de charge complètement géré par le microprocesseur
Rendement > 85%
Début du cycle de charge avec batterie à 2V
Protection thermique contre la surchauffe
Classe de protection ambiante IP66
Conformité CE
Equipement de relais avec contact normalement fermé de sécurité des installations à bord
Courbes de charge pour batteries au Plomb-acide (Wet), Gel et AGM. Toute autre courbe
disponible sur demande.
Sélection aisée de la courbe de charge pour les batteries au plomb-acide (Wet) et pour les
batteries Gel ou AGM sans ouvrir le chargeur de batterie
La Ezlamp autorise une signalisation de l'état de la charge rouge/jaune/vert à distance et
signale aussi d'éventuelles anomalies (batterie non connectée, inversée, etc. ...)
Protection contre les inversions de polarité, les courts-circuits, les surintensités ou les
anomalies moyennant le relais en sortie
Humidité maximale relative: 90%
Courant maximum d'entrée: 15Arms
Température ambiante de fonctionnement: de –40 à +45 ˚C (de -40 à 113 ˚F).
Modèles disponibles: 24V 25A – 36V 20A – 48V 15A
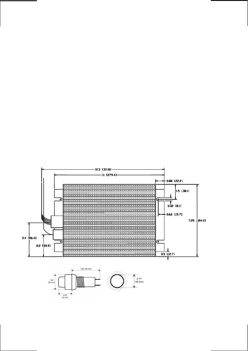
Dimensions: Pouces (mm entre parenthèses)
Hauteur: 3.5 pouces (88.9 mm)
Poids: 9.5 livres (4.3 Kg)
13
EZLamp
HF2-UI

Related product manuals