EasyManua.ls Logo

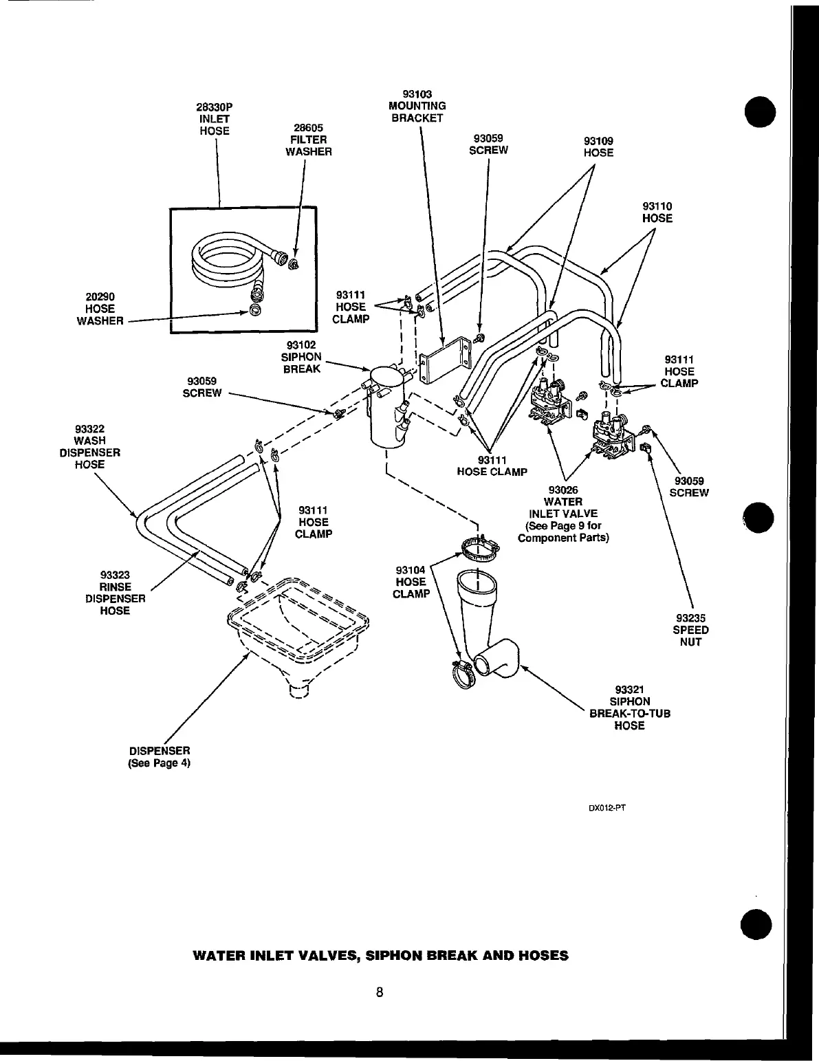
Speed Queen EX218 - Water Inlet Valve Details

Speed Queen EX218
60 pages
Print Icon
To Next Page IconTo Next Page
To Next Page IconTo Next Page
To Previous Page IconTo Previous Page
To Previous Page IconTo Previous Page
Loading...

Table of Contents

Related product manuals