EasyManua.ls Logo

SPX FLOW APV GPHE - Page 52

SPX FLOW APV GPHE
85 pages
Print Icon
To Next Page IconTo Next Page
To Next Page IconTo Next Page
To Previous Page IconTo Previous Page
To Previous Page IconTo Previous Page
Loading...
52 | INSTALLATION, OPERATION and MAINTENANCE MANUAL
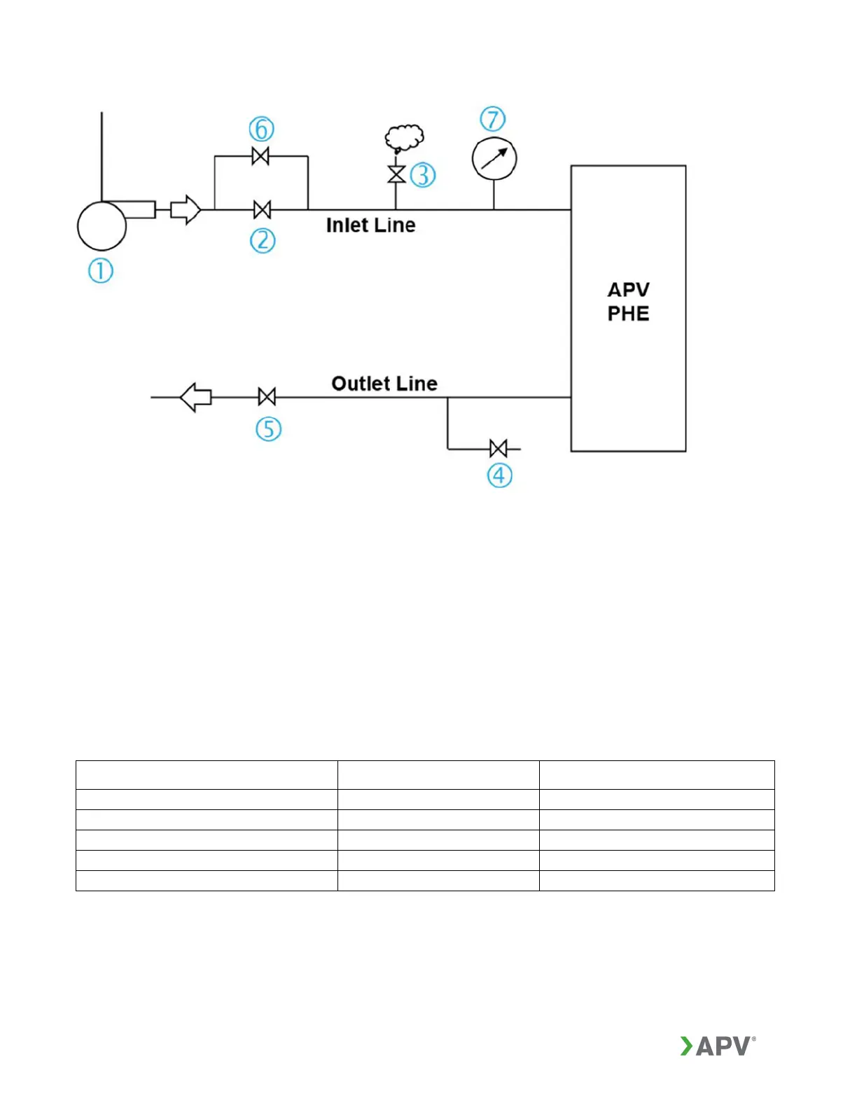
Figure 43: Typical liquid / liquid system configuration components
1. Pump, centrifugal
2. Inlet valve
3. Vent valve (always on top line)
4. Drain valve
5. Outlet valve for isolation
6. Bypass valve
7. Pressure gauge at inlet of the GPHE
Acceptable startup and shutdown procedure for the configuration in Figure 43:
Before startup, check that these conditions are met.
VALVE COLD MEDIUM HOT MEDIUM
Inlet valve (2) Closed Closed
Outlet valve (5) Open Open
Drain valve (4) Closed Closed
Vent valve (3) Partly open Partly open
Bypass valve (6), if fitted Open Open