EasyManua.ls Logo

SSANGYONG REXTON 2006.09 - Starting & Charging

SSANGYONG REXTON 2006.09
806 pages
Print Icon
To Next Page IconTo Next Page
To Next Page IconTo Next Page
To Previous Page IconTo Previous Page
To Previous Page IconTo Previous Page
Loading...
0-3
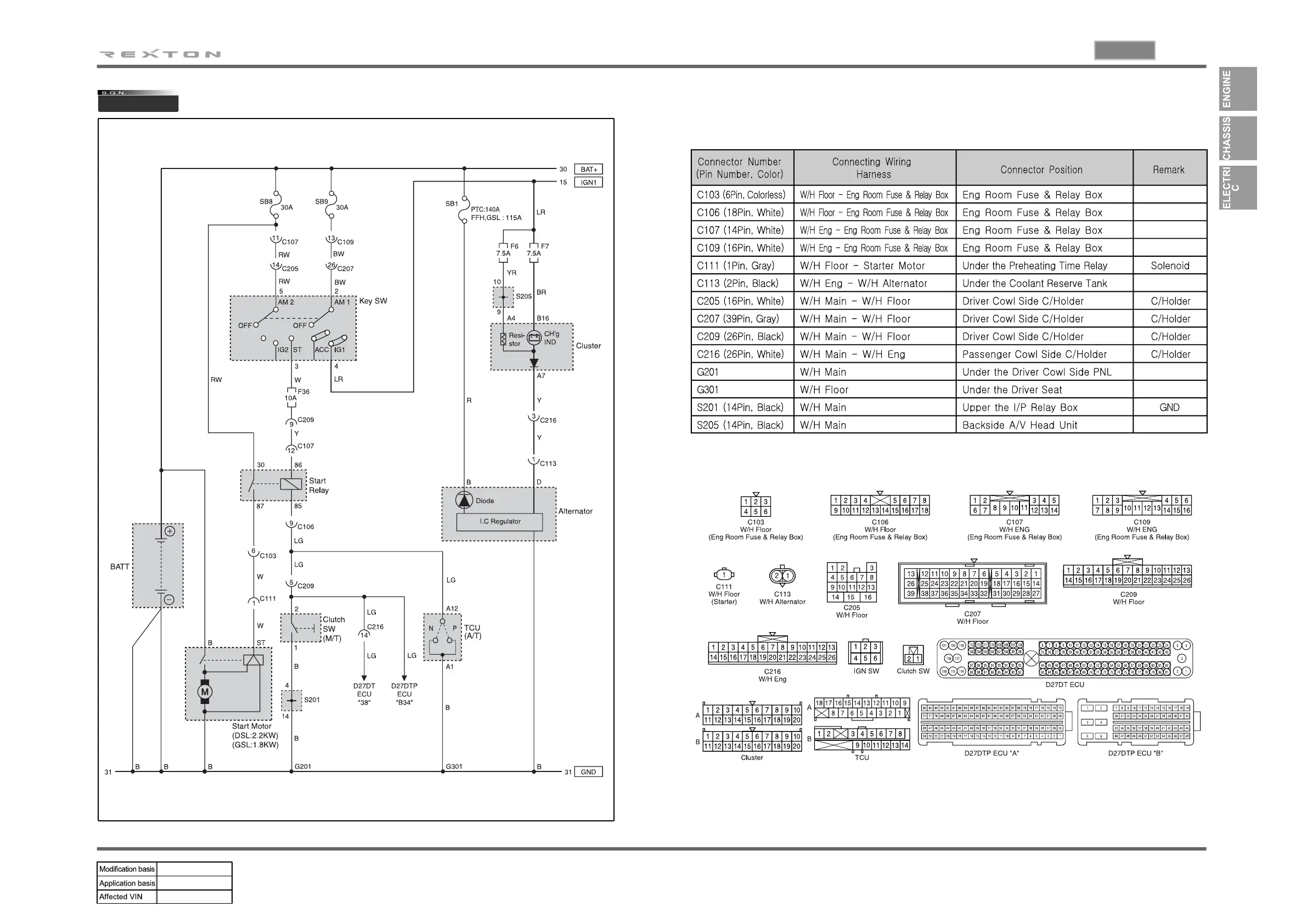
CIRCUIT
REXTON 2006.09
1461-01
1461-01
STARTING & CHARGING
1) CONNECTOR INFORMATION
2) CONNECTOR IDENTIFICATION SYMBOL & PIN NUMBER POSITION

Table of Contents

Related product manuals