EasyManua.ls Logo

SSANGYONG REXTON 2006.09 - Ptc Heater (Positive Temperature Coefficient)

SSANGYONG REXTON 2006.09
806 pages
Print Icon
To Next Page IconTo Next Page
To Next Page IconTo Next Page
To Previous Page IconTo Previous Page
To Previous Page IconTo Previous Page
Loading...
0-87
CIRCUIT
REXTON 2006.09
6810-15
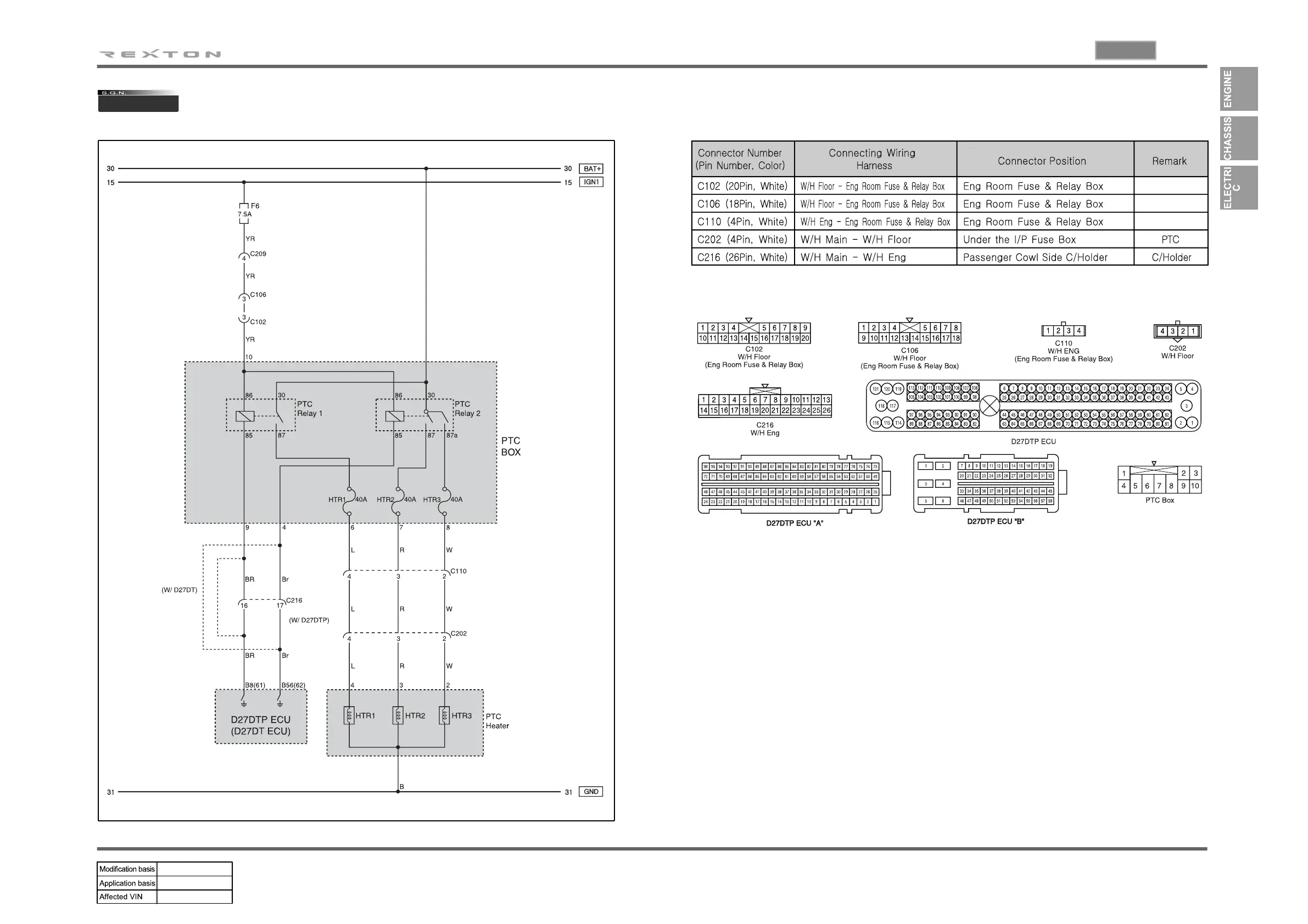
2) CONNECTOR IDENTIFICATION SYMBOL & PIN NUMBER POSITION
1) CONNECTOR INFORMATION
6810-15
 PTC (POSITIVE TEMPERATURE COEFFICIENT)
HEATER

Table of Contents

Related product manuals