EasyManua.ls Logo

Stamina Fusion 7100 - Assembly Instructions

Stamina Fusion 7100
26 pages
Print Icon
To Next Page IconTo Next Page
To Next Page IconTo Next Page
To Previous Page IconTo Previous Page
To Previous Page IconTo Previous Page
Loading...
ASSEMBLY INSTRUCTIONS
7
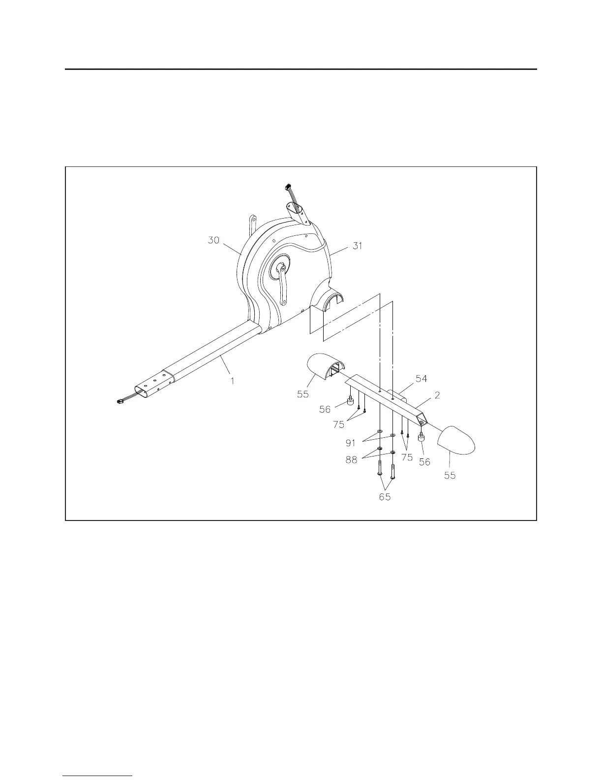
STEP 1
Make the WHEEL(54) on the FRONT STABILIZER(2) face the front, then attach the FRONT STABILIZER(2)
to the FRONT FRAME(1) with BUTTON HEAD BOLTS(M8x1.25x53mm)(65), LOCK WASHERS(M8)(88),
and WASHERS(M8)(91).
STEP 2
Slide the FOOT CAPS(55) onto both ends of the FRONT STABILIZER(2) so they fit over the edges of the
LEFT and RIGHT COVERS(30, 31) and secure with ROUND HEAD SCREWS(M4x0.7x15mm)(75). Screw
the FOOT STANDS(56) all the way up into the FRONT STABILIZER(2) on both sides.
Place all parts from the box in a cleared area and position them on the floor in front of you. Remove all
packing materials from your area and place them back into the box. Do not dispose of the packing materials
until assembly is completed. Read each step carefully before beginning. If you are missing a part please call
our toll-free number for assistance 1-800-375-7520 or e-mail us at customerservice@staminaproducts.com.

Related product manuals