EasyManua.ls Logo

Statpower PROwatt 250 - Output Waveform Explained

Statpower PROwatt 250
25 pages
Print Icon
To Next Page IconTo Next Page
To Next Page IconTo Next Page
To Previous Page IconTo Previous Page
To Previous Page IconTo Previous Page
Loading...
2
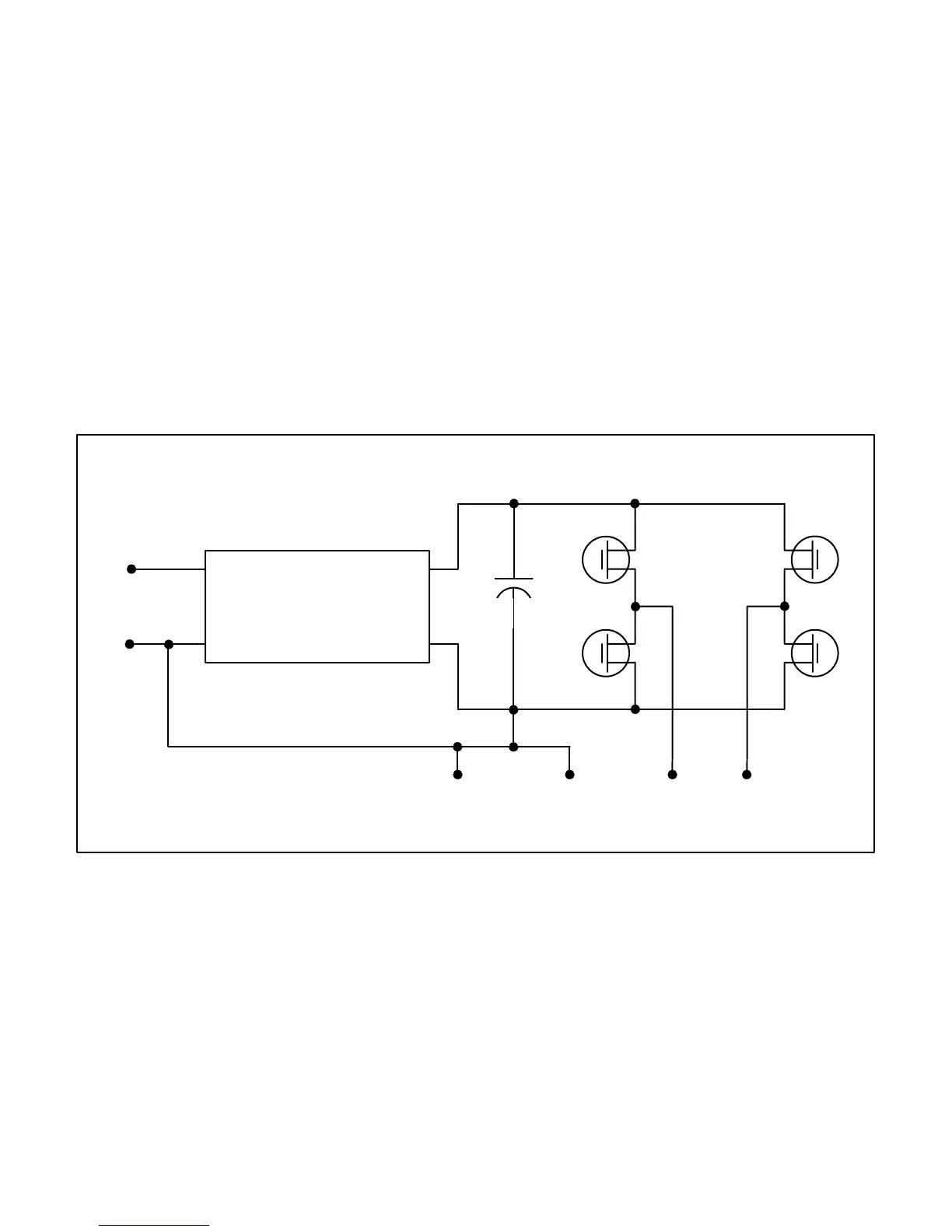
verter stage. It converts the high voltage DC into 115 volts, 60
Hz or 50 Hz AC.
The DC-to-DC converter stage uses modern high frequency
power conversion techniques that eliminate the bulky trans-
formers found in inverters based on older technology. The in-
verter stage uses advanced power MOSFET transistors in a full
bridge configuration. This gives you excellent overload capa-
bility and the ability to operate tough reactive loads like lamp
ballasts and small induction motors.
DC-DC CONVERTERDC
INPUT
+
-
CHASSIS GND
GND NEUT LINE
POWER
MOSFET
115 VAC
145 VDC
INVERTER SECTION
AC OUTPUT
+
Figure 1. PROwatt 250 - Principle of Operation
2.2 PROwatt 250 output waveform
The AC output waveform of the PROwatt 250 is called a
“quasi-sine wave” or a “modified sine wave.” It is a stepped
waveform that is designed to have characteristics similar to the

Related product manuals