EasyManua.ls Logo

STAX SRM-006tS - Block Diagram

STAX SRM-006tS
8 pages
Print Icon
To Next Page IconTo Next Page
To Next Page IconTo Next Page
To Previous Page IconTo Previous Page
To Previous Page IconTo Previous Page
Loading...
PUSPUS
-4-
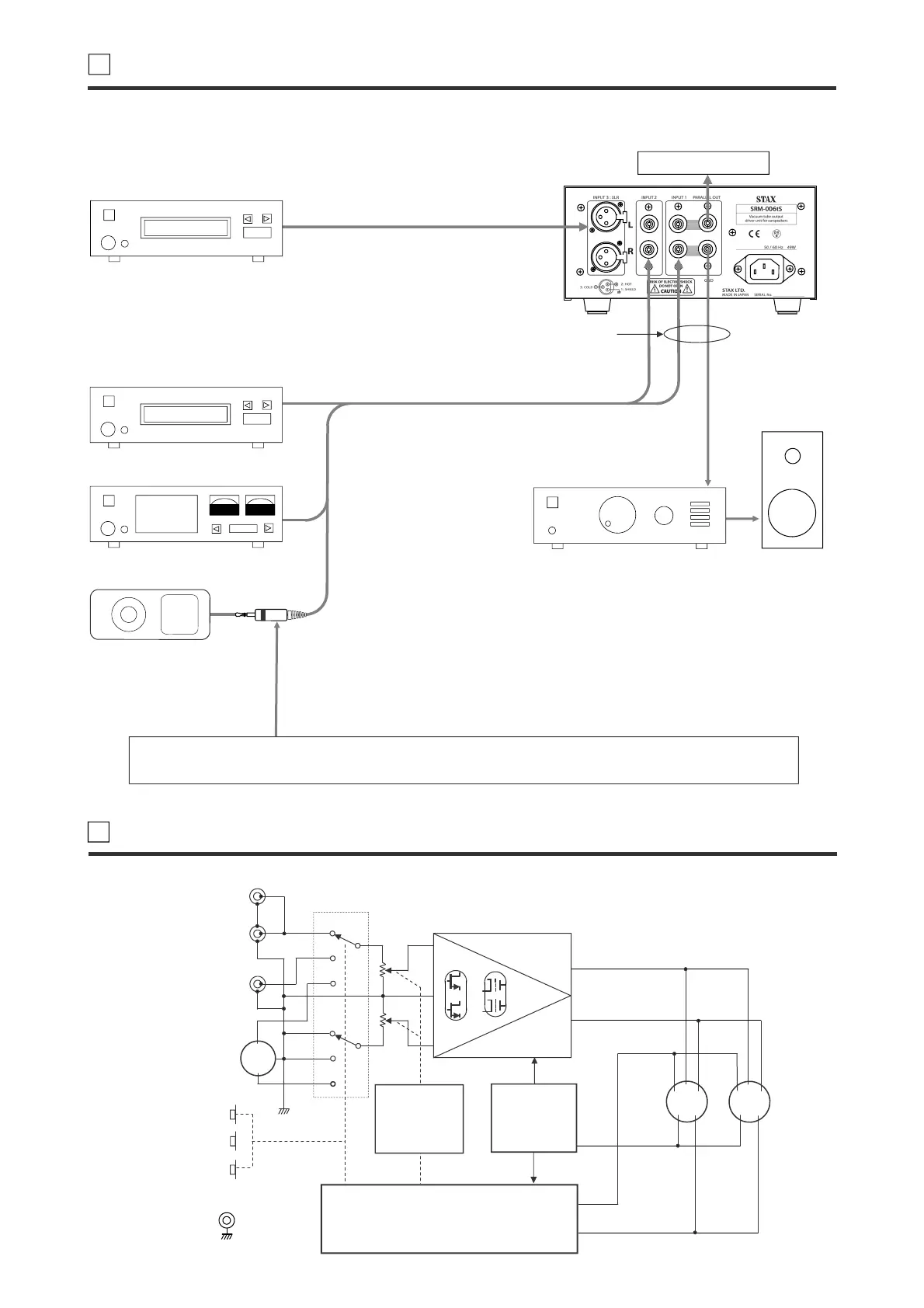
XLR出力端子付きSACD/DVD-Audio Player etc.
RCA接続の場合は2種類のソース機器がお使いになれます。
RCAに接続したソースをラウドスピーカーでもお聴きになるときは「INPUT-1」へ接続してください。
XLRケーブルをご用意ください
接続の例
ラウドスピーカー
他のドライバーユニット等
プリアンプ/プリメインアンプ
Pre-amp / Pre-main amplifier
ラウドスピーカーも併用する場合は
アンプの「AUX入力へ接続します。
現在お使いのシステムへSRM-600tSを追加する場合:プリアンプやプリメインアンプの「REC OUT」端子へ接
続して、本機でイヤースピーカーの音量調整を行ってください。
CD/MD/SACD/DVD-Audio Player etc.
Portable-Audio Player / PC-Audio, TV etc.
1.XLR(バランス)接続でお使いになる時
TAPE Deck/DAT etc.
2.RCA接続でお使いになる時
パソコンのオーディオ端子・ポータブルオーディオプレーヤーやテレビのヘッドフォン端子などに接続する場合:
市販の「ミニ・ステレオプラグ
RCAプラグ」等の上図の様な変換
ケーブルや変換のコネクター
をご用意して下さい。
ヘッドフォン端子へ接続した際の音量調整の仕方は?
ヘッドフォン用の端子のみで
LINE
出力がないポータブル・オーディオプレーヤー
やTV等の音量調整は、付属のヘッドフォンを使用する時の音量のボリューム位置
に固定します。次に、本機のボリュームで最適な音量になるように調整してくだ
さい。
ステレオミニプラグ
市販のステレオミニプラグ→ RCAプラグ
変換コード又は変換アダプターをご用意
してください
ブロックダイアグラム/
Block diagram
4-gang volume controller
PARALLEL OUT
L-ch
1
2
3
R-ch
INPUT-3: XLR
INPUT-2: RCA
INPUT-1: RCA
6FQ7/6CG7
POWER SUPPLY
1
2
3
1
2
3
Earspeaker connectors
GND
Input selector switch
4
5

Related product manuals