EasyManua.ls Logo

Steiner MD460 - Page 36

Steiner MD460
38 pages
Print Icon
To Next Page IconTo Next Page
To Next Page IconTo Next Page
To Previous Page IconTo Previous Page
To Previous Page IconTo Previous Page
Loading...
34
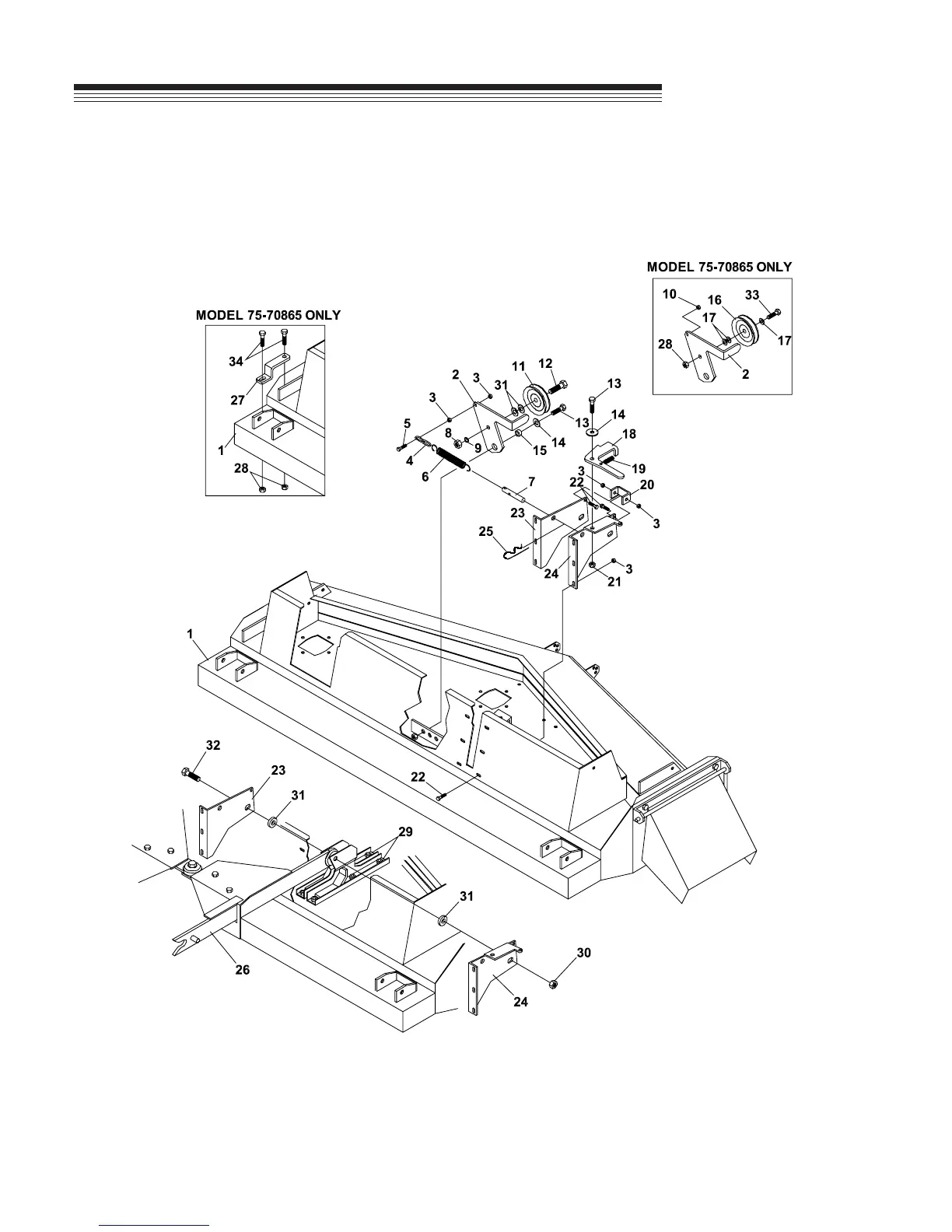
ROTARY
MOWER
FLIP-UP DECKS
FIGURE 9

Other manuals for Steiner MD460

Related product manuals