EasyManua.ls Logo

stellar labs V480 - Typical Hydraulic Circuit for Tandum (Two Part) Pump with Multiple Components; Typical Hydraulic Circuit for Single Stage Pump with Multiple Components

stellar labs V480
30 pages
Print Icon
To Next Page IconTo Next Page
To Next Page IconTo Next Page
To Previous Page IconTo Previous Page
To Previous Page IconTo Previous Page
Loading...
Hydraulics/Electrical 19
P
N 30533
PN 30532
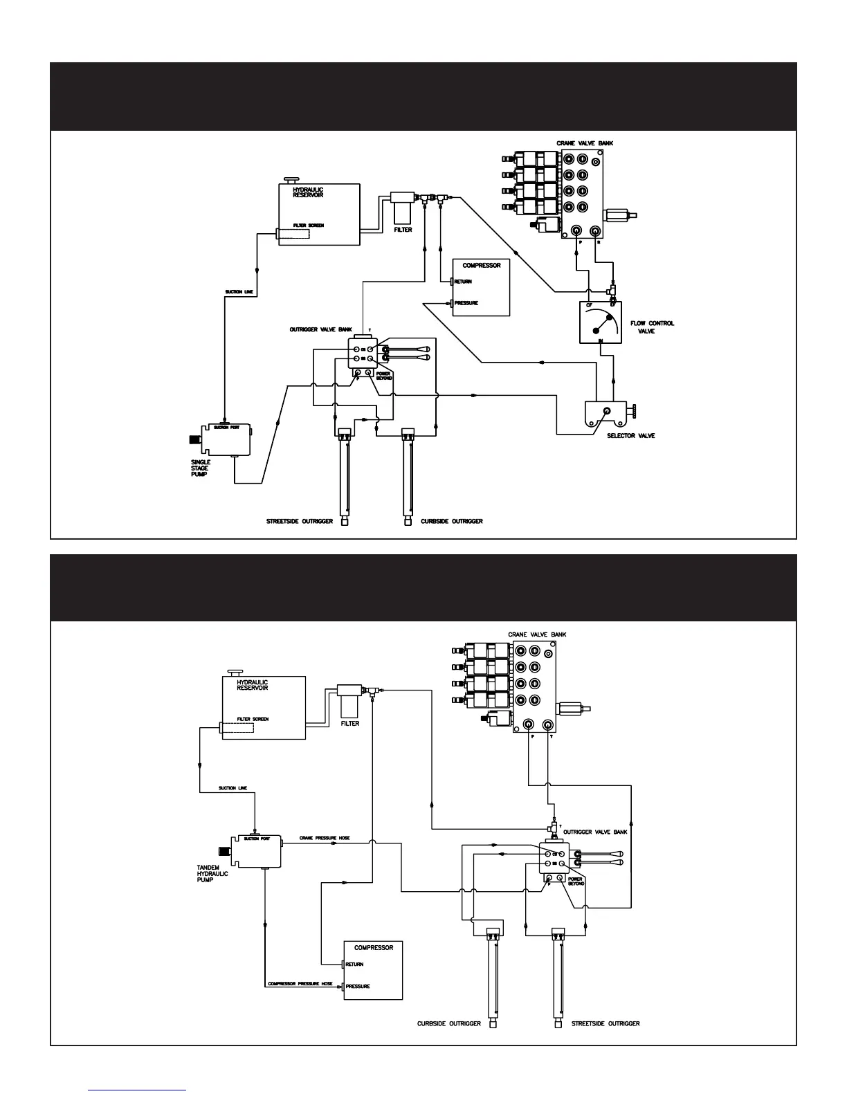
Typical Hydraulic Circuit for Single Stage Pump with
Multiple Components
Typical Hydraulic Circuit for Tandum (Two Part) Pump with
Multiple Components