EasyManua.ls Logo

Stephill SE6000D4 - Page 37

Stephill SE6000D4
38 pages
Print Icon
To Next Page IconTo Next Page
To Next Page IconTo Next Page
To Previous Page IconTo Previous Page
To Previous Page IconTo Previous Page
Loading...
New drawing
Revision
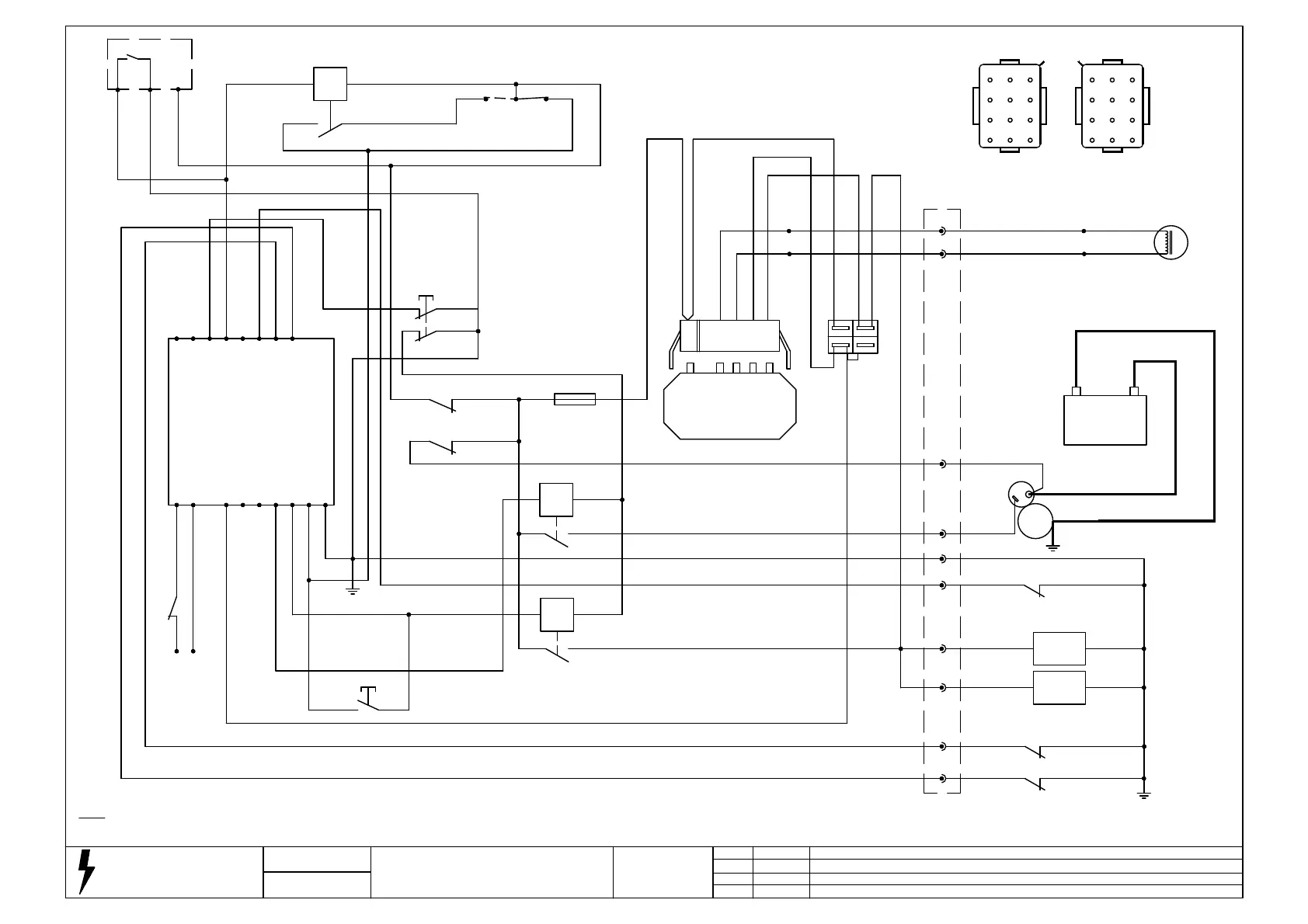
STEPHILL GENERATORS
Drawn
R GOLDING
Drawing Number
SW11066
Phone 01933 677911
Fax 01933 677916
Description
SSD6000 L100 Deep Sea 3110 Wiring with power
off relay
A
Issue
20/10/17
Date
Last Number Used
30
+ -
FUEL
SOLENOID
WHITE
STARTER MOTOR
25mm
23
24
1
REGULATOR
WHITE
20A
GREEN
YELLOW
YELLOW
WHITE
20A RE-SET
2.5mm
OIL PRESSURE SWITCH
16 1
20
18
R1
20
CHARGE ALTERNATOR
OIL PRESSURE
EMERGENCY STOP
TEMPERATURE SWITCH
DEEP SEA ELECTRONICS
21
A/C Supply
1A RE-SET
8
17 1
TEMPERATURE SWITCH
R2
21
3 18
24
GREEN/WHITE
GREEN/WHITE
DYNAMO
13
14
15
17
16
12
11
2A RE-SET
1
1
1
29
21
1.5mm BLUE
1.5mm BROWN 9
2.5mm
GREEN
24
10
BATTERY +VE
BATTERY -VE
FUEL SOLENOID
12345679 8
3110
START SOLENOID
REMOTE START
EMERGENCY
1
STOP
12
18
FUEL LEVEL
7
FUEL PUMP
2
3
3
2
4
FUEL
LIFT PUMP
24
1
1
118
11
2020
2424
21
21
2323
1616
1717
12 PIN PLUG - SOCKET
1
25mm
25mm
NOTE
ALL CABLE TO BE 1.5MM UNLESS STATED
ALL CABLE EXCEPT BATTERY CABLE TO BE WHITE
FUEL LEVEL SWITCH
15
1
1
1515
GREEN/WHITE
GREEN/WHITE
27
26
1
21
23
2424
24
21
2626
27 27
27
26
30
2
R3
13
29
POWER OFF RELAY
30
REMOTE OFF MANUAL
30
29
2
2
13
-VE 1
REMOTE START
13
Wire 29 added to remote start terminals.
B
08/04/21
+VE 29
29
(15)
(20)
(23)
12 PIN SOCKET
(26) (27)
(17)
(16)
(24)
(24)
(15)
(20)
(23)
(26)(27)
(17)
(16)
(24)
(24)
12 PIN PLUG
BACK OF SOCKETBACK OF PLUG
(1) (1)
Updated to show 12-way plug and socket - JD.
C
12/01/22

Table of Contents

Other manuals for Stephill SE6000D4

Related product manuals