EasyManua.ls Logo

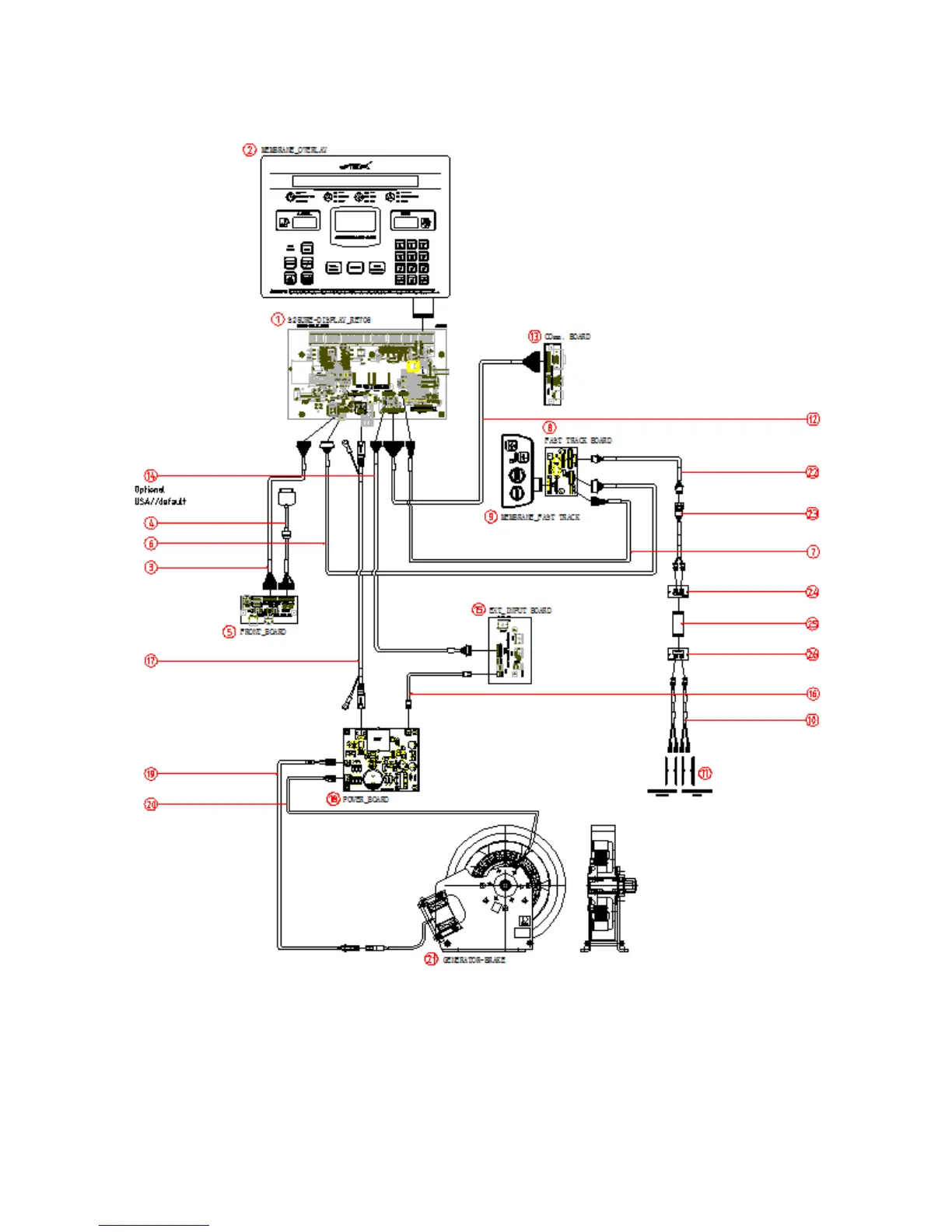
stex S25R - 3-16 Circuit Diagram - S25 R

stex S25R
37 pages
Print Icon
To Next Page IconTo Next Page
To Next Page IconTo Next Page
To Previous Page IconTo Previous Page
To Previous Page IconTo Previous Page
Loading...
< 20 >
3-16 Circuit Diagram S25R

Related product manuals