EasyManua.ls Logo

STIEBEL ELTRON Accelera 220 E - Wiring Diagram

STIEBEL ELTRON Accelera 220 E
108 pages
Print Icon
To Next Page IconTo Next Page
To Next Page IconTo Next Page
To Previous Page IconTo Previous Page
To Previous Page IconTo Previous Page
Loading...
32 | Accelera® 220-300 E www.stiebel-eltron-usa.com
INSTALLATION
Speci cation
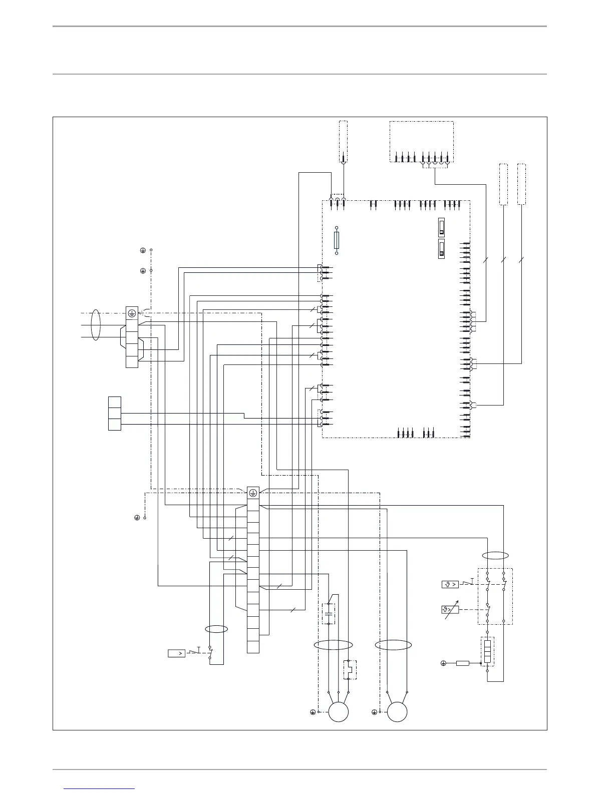
16.2 Wiring diagram
X13
X2
L
N
M1
M
1~
C
RS
C1
M2
M
1~
X0
A1
A2
T1
F2
1
3
BNBK BU
BNBU
L
N
PE
X1
10
9
7
6
8
BK 2
BK 1
X1
X1
X0
X14
11
LL1
N
12
13
X19
X15
X18
T4
X3
X2
N1
L
L2
L
L1
V2
L
N
V1
HD
ND
N1
X4 X11 X12 X10
X16
X9
X6
X5
X23
X20
X22
X21X17
coat
cap
storage tank
BN BU
12
AB
N1
F1
R1
E1
G1
5
3
2
2
1
2
2
2
4
3
2
1
5
3
L1
L1
L1
L
HZ
L
HZ
L
M1
L
M1
L
L1
2
3
2
p
F3
2
X3
1
2
3
GRN
storage tank
F4
S1
S2
D0000050405-b

Table of Contents

Related product manuals