EasyManua.ls Logo

STIEBEL ELTRON Accelera 220 E - Plumbing Connections; Hot Water

STIEBEL ELTRON Accelera 220 E
108 pages
Print Icon
To Next Page IconTo Next Page
To Next Page IconTo Next Page
To Previous Page IconTo Previous Page
To Previous Page IconTo Previous Page
Loading...
6 | Accelera® 220-300 E www.stiebel-eltron-usa.com
QUICK START-UP GUIDE
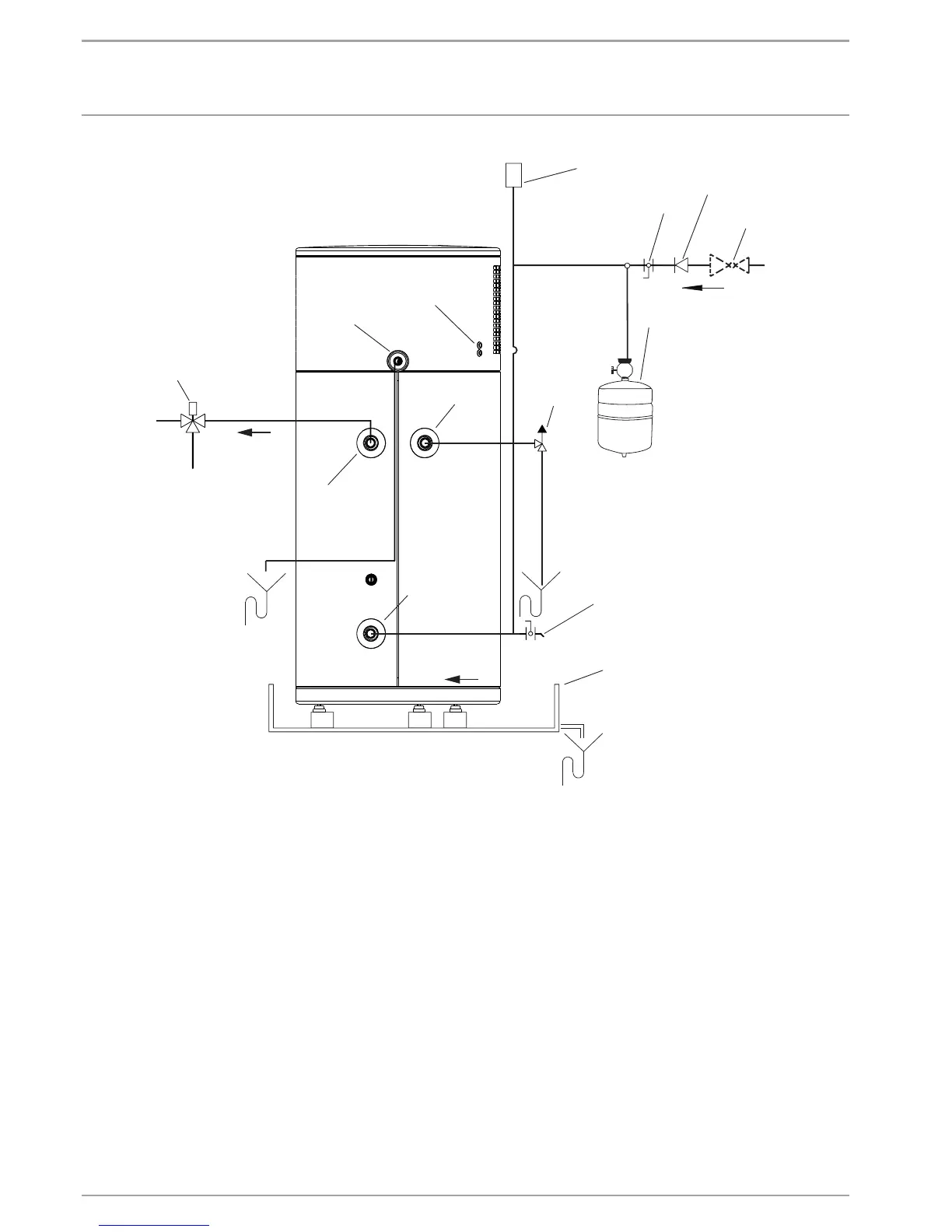
Plumbing connections
H
M
C
Cold water
Hot water
2
11
14
12
13
10
3
4
5
6
7
8
9
1
1 Vacuum breaker
2 Hot water connection (1˝ NPT)
3 Mixing valve (optional, supplied by installer)
4 Connection for T&P valve (¾˝ NPT)
5 T&P valve ¾˝ NPT, 100 psi
@
210 °F (0.69 MPa
@
99 °C), supplied with unit
6 Expansion tank, min. recommended size*: 5 gal. (19 l), (required, supplied by
installer)
7 Straight-through shut-off valve (supplied by installer)
8 Check valve (required, supplied by installer)
9 0.48 MPa (70 psi) pressure reduction valve (required, supplied by installer)
10 Cold water connection (1˝ NPT)
11 Condensate drain (¾˝ R to ½˝ barbed elbow), supplied with unit
12 Drain valve (supplied by installer)
13 Drain pan (supplied by installer)
14 Condensate spillover
* Recommendation based on 70 psi inlet pressure, expansion tank precharged to 70 psi
(4.8 bar), 149 °F (65 °C) max. tank temperature, entire contents of the tank are not
drained on each use, and fi ll temperature is 70 °F (21.1 °C).

Table of Contents

Related product manuals