EasyManua.ls Logo

Stinger CN100B - CN100 B Schematic

Stinger CN100B
48 pages
Print Icon
To Next Page IconTo Next Page
To Next Page IconTo Next Page
To Previous Page IconTo Previous Page
To Previous Page IconTo Previous Page
Loading...
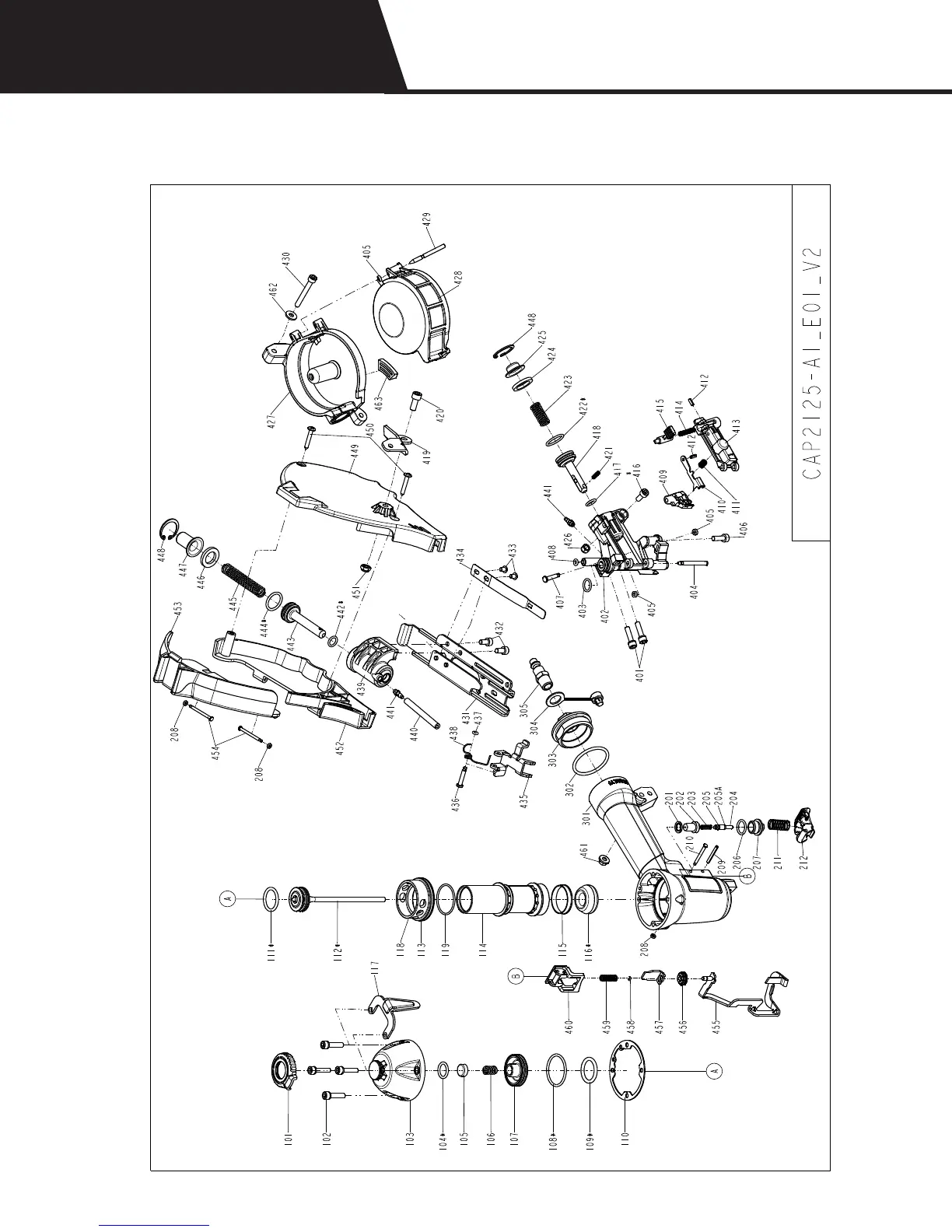
CN100B SCHEMATIC
Contact Inside Sales at 800-746-5659 to place an order for replacement parts
7

Related product manuals