EasyManua.ls Logo

Stinger CN100B - Diagramme

Stinger CN100B
48 pages
Print Icon
To Next Page IconTo Next Page
To Next Page IconTo Next Page
To Previous Page IconTo Previous Page
To Previous Page IconTo Previous Page
Loading...
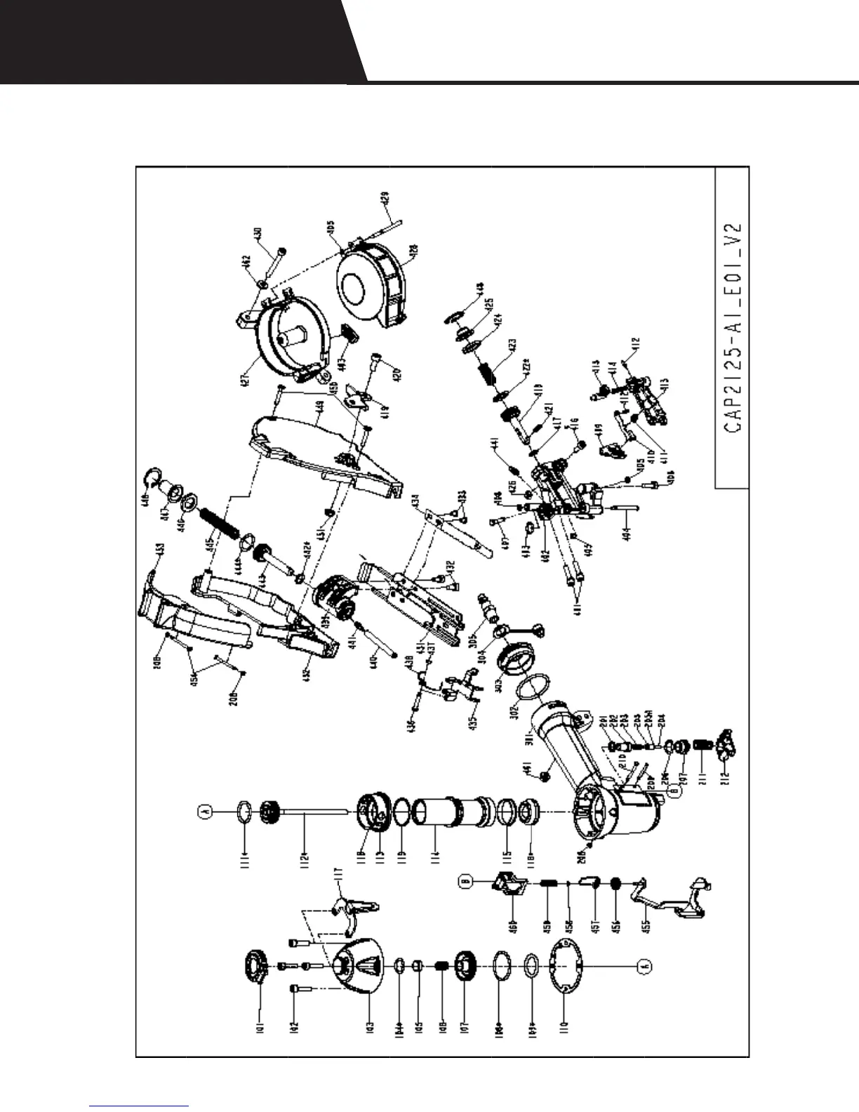
DIAGRAMME DE LA CN100B
Contactez le Service de vente interne au 800-746-5659 pour passer une commande de
pièce de détachée.
7

Related product manuals