EasyManua.ls Logo

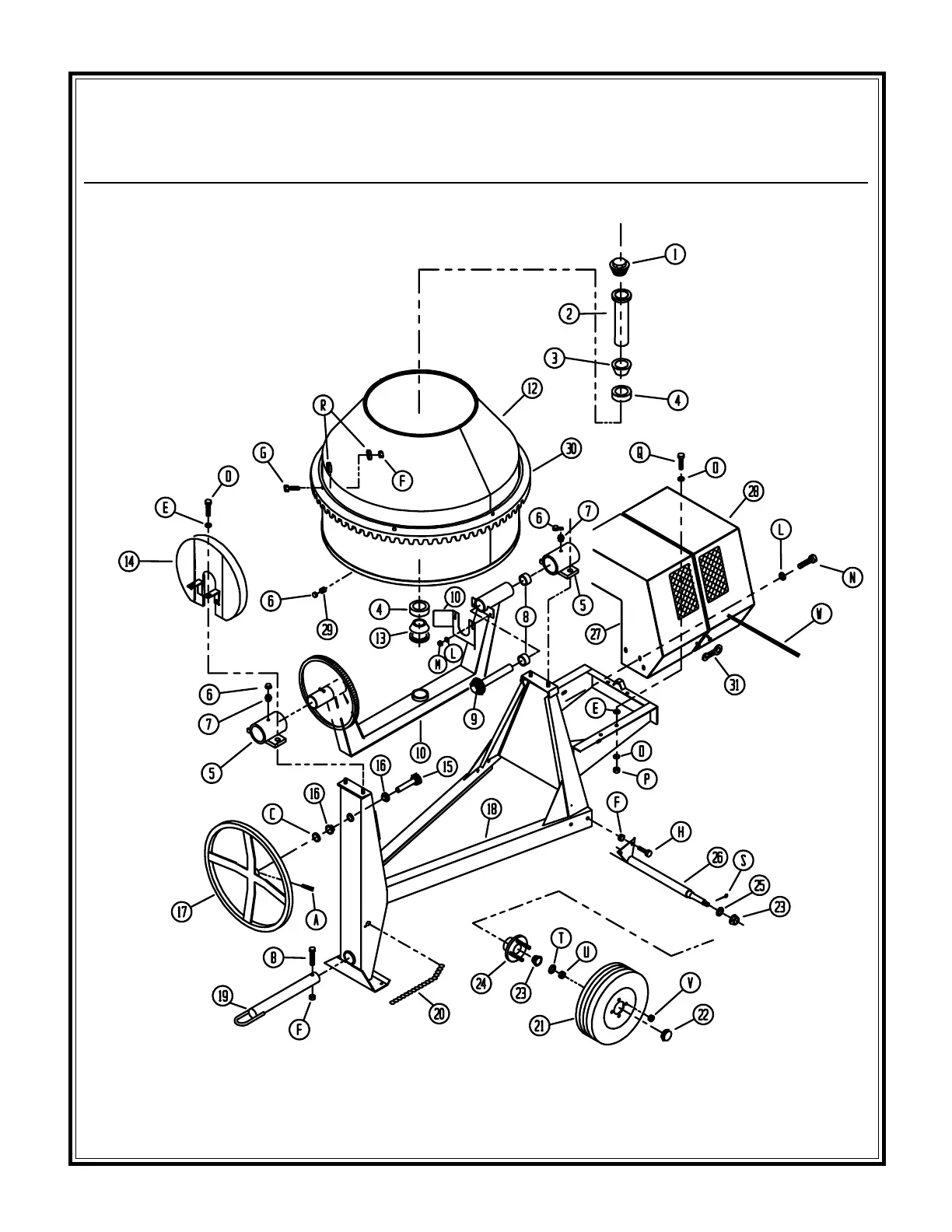
Stone CHAMPION - Exploded Views and Parts Lists; Frame and Drum Assembly Parts

Stone CHAMPION
43 pages
Print Icon
To Next Page IconTo Next Page
To Next Page IconTo Next Page
To Previous Page IconTo Previous Page
To Previous Page IconTo Previous Page
Loading...
- 20 -
Parts List
Frame and Drum Assembly

Related product manuals