EasyManua.ls Logo

Storm 1200 - Appendix 2. Panel Mounting Details; Overall Dimensions; Panel Mounting Details

Default Icon
18 pages
Print Icon
To Next Page IconTo Next Page
To Next Page IconTo Next Page
To Previous Page IconTo Previous Page
To Previous Page IconTo Previous Page
Loading...
1200 Sub-miniature keyboard for public environments
Application / Engineering Manual
This document is provided for use and guidance of engineering personnel engaged in the installation or application of STORM data entry products manufactured by Keymat Technology Ltd. Please be advised that all
information, data, and illustrations contained within this document remain the exclusive property of Keymat Technology Ltd. and are provided for the express and exclusive use as described above. This document is not
supported by Keymat Technology’s engineering change note, revision or reissue system. Data contained within this document is subject to periodic revision, reissue or withdrawal. Whilst every effort is made to ensure
the information, data and illustrations are correct at the time of publication, Keymat Technology Ltd. are not responsible for any errors or omissions contained within this document.
1200 Application/Engineering Manual Version 0.99 Nov 2002 Page 14
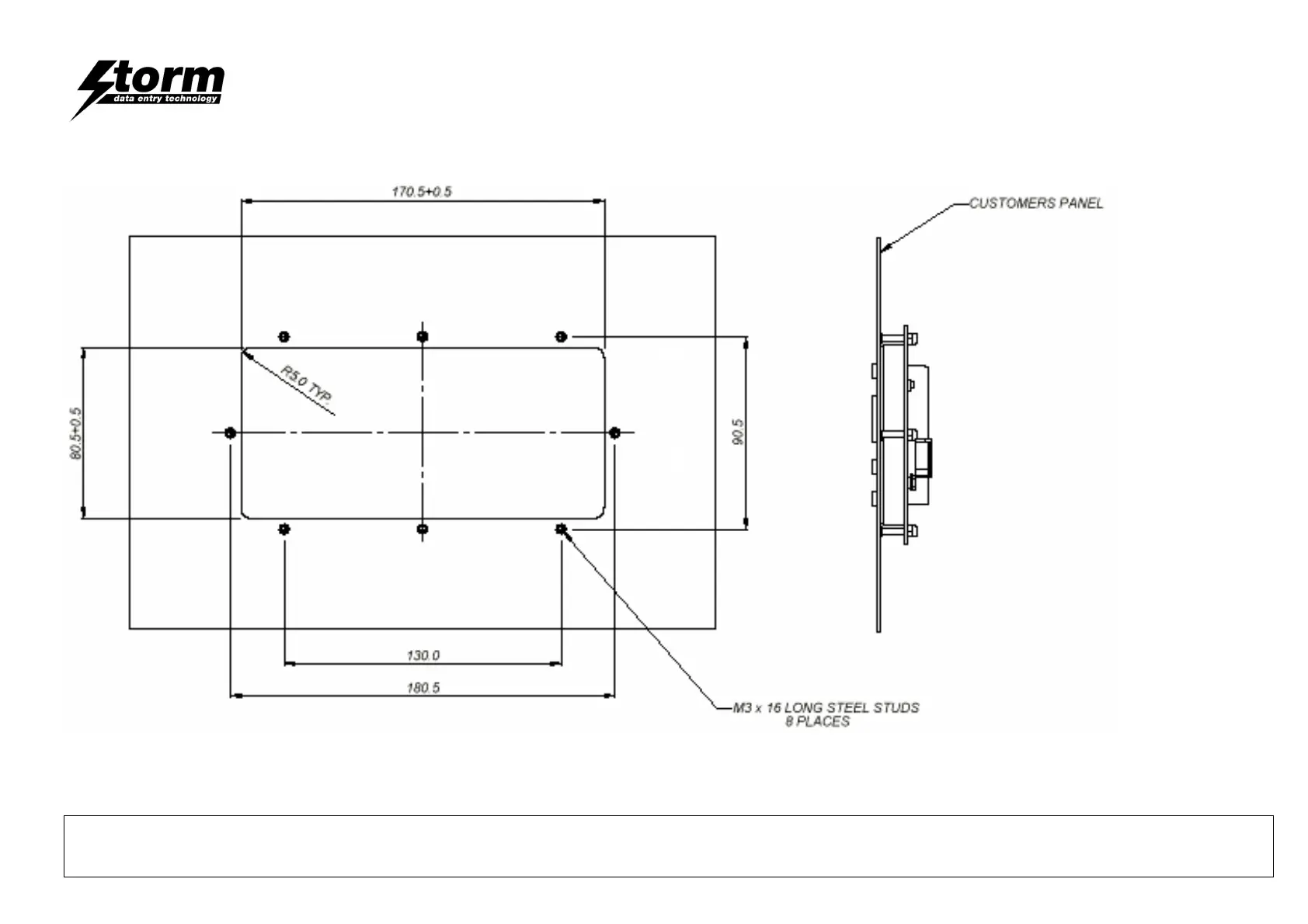
Appendix 2: Panel Mounting Details / Overall Dimensions.

Related product manuals