EasyManua.ls Logo

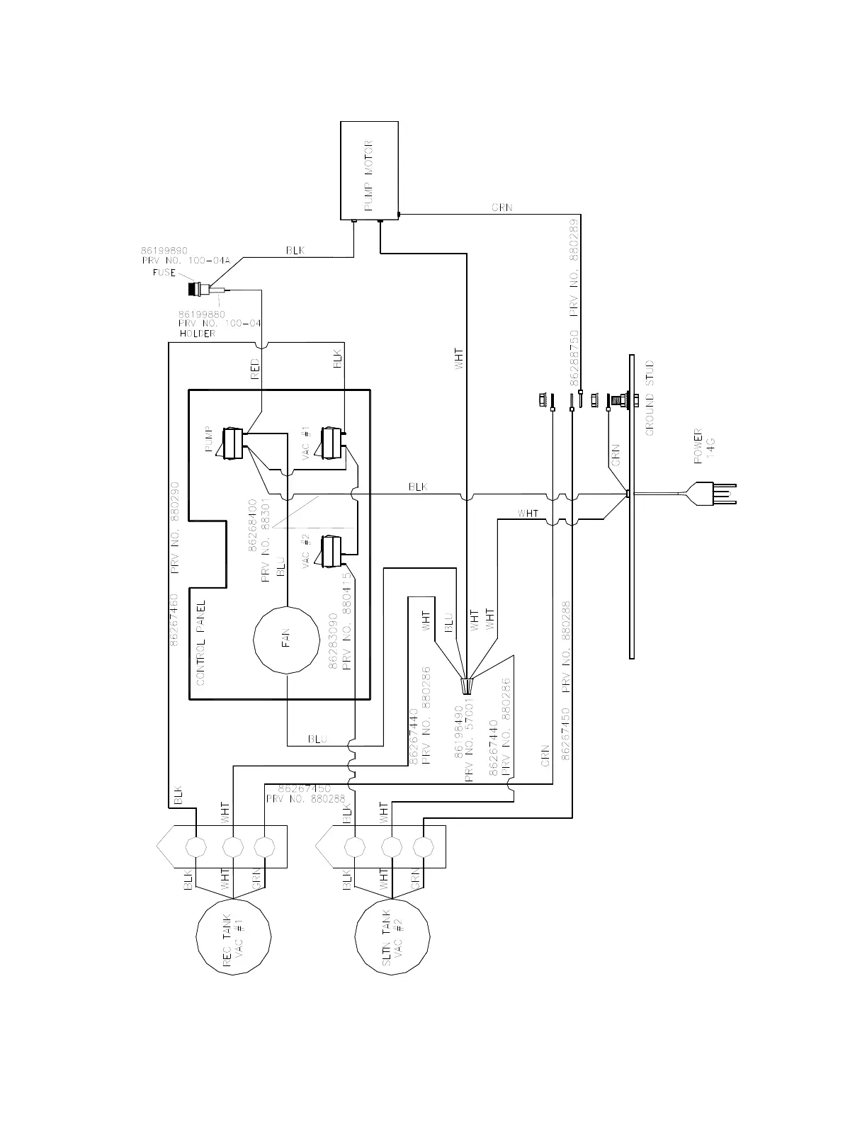
Stormchaser 900-01 - Wiring Diagram (200 Psi)

Stormchaser 900-01
38 pages
Print Icon
To Next Page IconTo Next Page
To Next Page IconTo Next Page
To Previous Page IconTo Previous Page
To Previous Page IconTo Previous Page
Loading...
WIRING DIAGRAM (200 PSI)
STORMCHASER 86038660 11/05/09
5-18