EasyManua.ls Logo

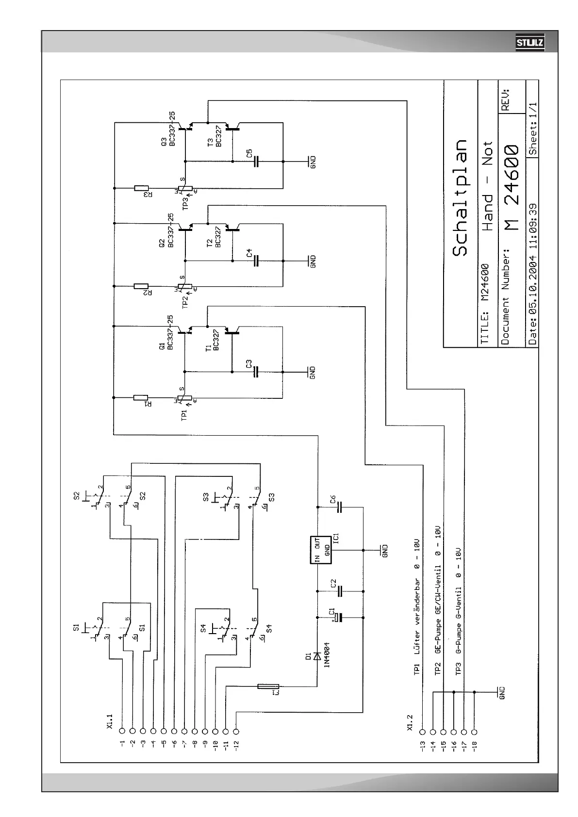
Stulz ASR 1252 A2 - Wiring Diagram of the Circuit Board

Stulz ASR 1252 A2
92 pages
Print Icon
To Next Page IconTo Next Page
To Next Page IconTo Next Page
To Previous Page IconTo Previous Page
To Previous Page IconTo Previous Page
Loading...
5
/10.2015/electricEN
Wiring diagram of the circuit board

Table of Contents

Related product manuals