EasyManua.ls Logo

Sub-Zero 685-2 - Page 177

Sub-Zero 685-2
188 pages
Print Icon
To Next Page IconTo Next Page
To Next Page IconTo Next Page
To Previous Page IconTo Previous Page
To Previous Page IconTo Previous Page
Loading...
Built-In
Built-In
(600-
(600-
2
2
)
)
Series
Series
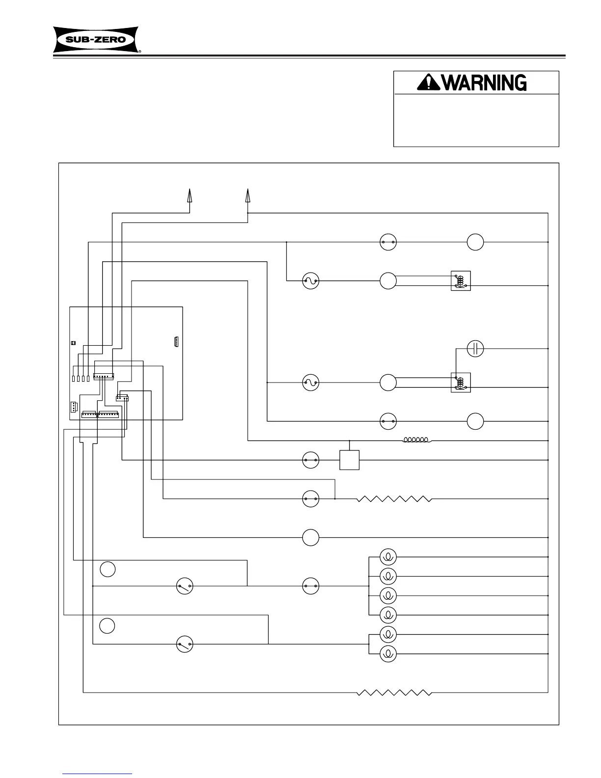
Wiring Diagrams / Schematics
-This wiring information is provided for use by qualified
service personnel only.
-Disconnect appliance from electrical supply before
beginning service.
-Be sure all grounding devices are connected when
service is complete.
-Failure to observe the above warnings may result in
severe electrical shock.
J6
J5
J2
J1
J7
J4
E2 E7 E10 E6
J3
ICEMAKER
FREEZER
LIGHT SWITCH
REFRIGERATOR
LIGHT SWITCH
LIGHT
TERMINATOR
CONDENSER
FAN MOTOR
DEFROST
TERMINATOR
REFRIGERATOR
LIGHTS
FREEZER
LIGHTS
FILL TUBE
HEATER
DEFROST
HEATER
FREEZER
OVERLOAD
PROTECTOR
NEUT
115 VOLTS
60 CYCLES
L1
REFRIGERATOR
OVERLOAD
PROTECTOR
FREEZER
FAN SWITCH
WATER
VALVE
FREEZER
COMPRESSOR
FREEZER
COMPRESSOR
STARTING
RELAY
FREEZER
FAN MOTOR
RUNNING
CAPACITOR
REFRIGERATOR
COMPRESSOR
STARTING
RELAY
REFRIGERATOR
COMPRESSOR
REFRIGERATOR
FAN SWITCH
REFRIGERATOR
FAN MOTOR
ICEMAKER
SWITCH
PART NUMBER 3756490
2600 OHMS
160
WHITE
GRAY
BLACK
PURPLE
TAN
PINK
GRAY/WHITE
BLUE
WHITE/RED
ORANGE
ORANGE
WHITE/BLUE
21 OMMS
WHITE
TAN
PURPLE RED
RED
ORANGE
ORANGE
YELLOW
YELLOW
M
M
M
M
M
A1
A1
WIRING SCHEMATIC
MODELS: 611-2 & 650-2
10-9
#3758407 - Revision B - August, 2006

Table of Contents

Other manuals for Sub-Zero 685-2

Related product manuals