EasyManua.ls Logo

Sub-Zero 685-2 - Page 179

Sub-Zero 685-2
188 pages
Print Icon
To Next Page IconTo Next Page
To Next Page IconTo Next Page
To Previous Page IconTo Previous Page
To Previous Page IconTo Previous Page
Loading...
Built-In
Built-In
(600-
(600-
2
2
)
)
Series
Series
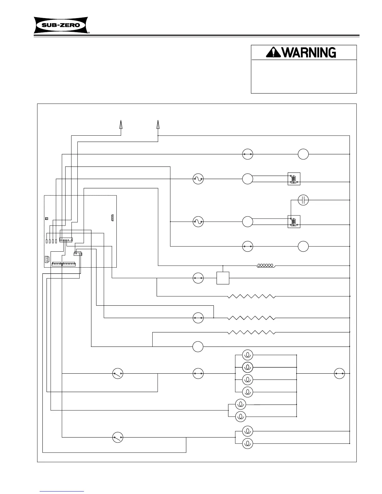
Wiring Diagrams / Schematics
RED
RED
160 Ohms
WHITE/RED
BLUE
GRAY/WHITE
M
20-22 Ohms
PINK
PURPLE
TAN
M
PURPLE
GRAY
BLACK
WHITE
RED
L1
M
NEUT
WHITE
M
M
ORANGE
WHITE/BLUE
ORANGE W/BLACK
ORANGE W/BLACK
ORANGE
DOOR HEATER
2300-3000 Ohms
2700-3700 Ohms
ICEMAKER
SWITCH
YELLOW
YELLOW
FREEZER
LIGHT SWITCH
REFRIGERATOR
LIGHT SWITCH
LIGHT
TERMINATOR
DEFROST
TERMINATOR
WHITE/RED
CONDENSER
FAN MOTOR
PINK
FREEZER
LIGHTS
PART NUMBER 3757920 REV A
REFRIGERATOR
LIGHTS
LIGHT
TERMINATOR
DEFROST
HEATER
ICEMAKER
WIRING SCHEMATIC
MODELS 611G-2 & 650G-2
FREEZER
OVERLOAD
PROTECTOR
J3
J2
E10E2 E7 E6
J4
J1
J7
J5
REFRIGERATOR
OVERLOAD
PROTECTOR
J6
TAN
115 VOLTS
60 CYCLES
WATER
VALVE
FREEZER
FAN SWITCH
FREEZER
COMPRESSOR
FREEZER
FAN MOTOR
RUNNING
CAPACITOR
FREEZER
COMPRESSOR
STARTING
RELAY
REFRIGERATOR
FAN SWITCH
REFRIGERATOR
COMPRESSOR
REFRIGERATOR
FAN MOTOR
REFRIGERATOR
COMPRESSOR
STARTING
RELAY
-This wiring information is provided for use by qualified
service personnel only.
-Disconnect appliance from electrical supply before
beginning service.
-Be sure all grounding devices are connected when
service is complete.
-Failure to observe the above warnings may result in
severe electrical shock.
ACCENT
LIGHTS
FILL TUBE
HEATER
10-11
#3758407 - Revision B - August, 2006

Table of Contents

Other manuals for Sub-Zero 685-2

Related product manuals