EasyManua.ls Logo

Sub-Zero Wolf MDD30TE/S/TH - Page 43

Sub-Zero Wolf MDD30TE/S/TH
45 pages
Print Icon
To Next Page IconTo Next Page
To Next Page IconTo Next Page
To Previous Page IconTo Previous Page
To Previous Page IconTo Previous Page
Loading...
Page 43
6-6
#826151 - Revision A - March, 2016
Microwave Drop-Down Door Series
Microwave Drop-Down Door Series
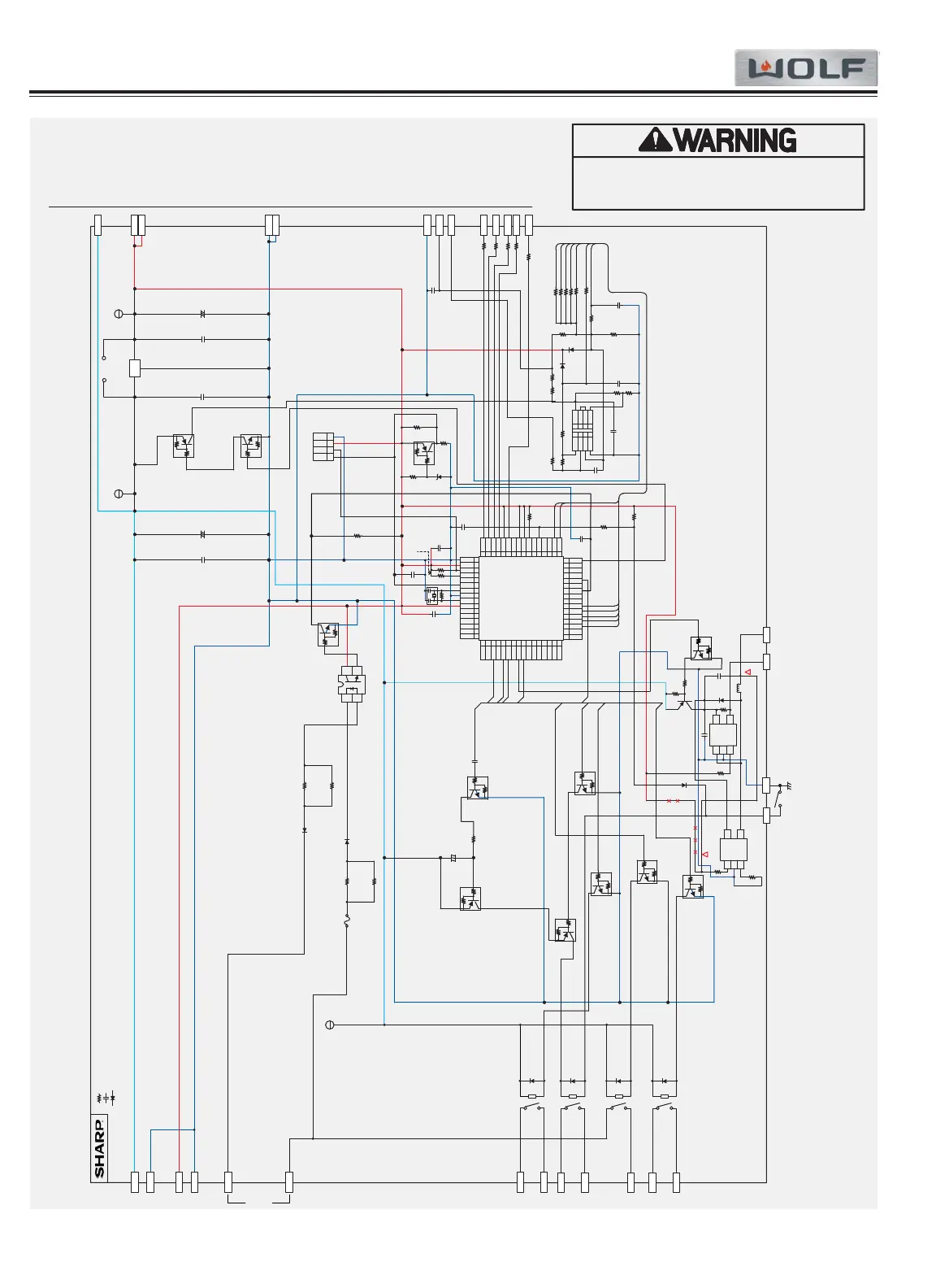
Wiring
AH 5
AH 4
AH 3
AH 2
AH 1
B3B1
COM TTM MICRO FAN.M
CN-F
B10B-PNISK-1A(LF)(SN)
WIRING SCHEMATICS
CONTROL UNIT PWB
: IF NOT SPECIFIED 1/LOW J(±5%)
: IF NOT SPECIFIED 0.01 uF 50V
: IF NOT SPECIFIED 1SS 352/1SS355/KDS160
: NOT INSERT PARTS
1.
2.
3.
4. ( )
F-1
F-2
F-3
F-4
F-5
G-1
G-2
G-3
F-6
F-7
F-8
F-9
F-10
3
4
1
2
A1
A4
COM
TAB1
COM
N.O
N.O
COM
N.O
CN301 AC120V
60Hz
CN-A
B2P4-VH-B(LF)(SN)
RY1
D21 D22 D23 D24
RY2 RY6 RY4
DU12D1-1PR(M)-L-KA
DU12D1-1PR(M)-L-KA-S
VR
+12V
Q29
KRA106S
Q21
KRA106S
Q31
DTC143ZKA
FUSE 2
0.8A
R9
R11
160K
1/2W
D2
1N4007
D1
1N4007
R10
R12
160K
1/2W
C21
50V/10uF
+
-
R20
100
Q20
KRC101S
C20
50V/0.1UF
P7_5
P7_4
P7_7
P7_6
P7_1
Q23
KRC101S
Q24
DTC143ZKA
Q25
R2
1K
D30
1SS133
R1
10K
1
CTRL VBAT
SW
GND
RSET
1
54
23
IC6
SW
Vin
SET
GND
CTRL
1
54
23
IC4
DOOR SW.
R202
R33
10K
R201
C201
DFLS240L
D200
0
R32
10K
C200
25V/4.7uF
Q30
KTA1666Y
10uF
C2 C1
L200
22uH
1
Q32
KRC101S
CN-B
B2(5.0)B-XNISK-A-1(LF)(SN)
LED LAMP
CN-C
B02B-XNISK-A-1(LF)(SN)
PC1
PC852
43
2
4
1
Q1
KRC101S
C80
50V/0.1u
R80
CF100
C50
50V/0.1u
R13
4.7K
R60
10K
R61
4.7K
C81
50V/0.1u
C30
50V/0.1u
R5F2L368CNFA
RH-IXA946DRNA
(VHIR2L368CA-1Q)
IC100
P11_1
P11_0
P7_7
P7_6
P7_5
P7_4
P7_3
P7_2
P7_1
P7_0
P4_7
P4_6
P4_5
P4_4
P4_3
P4_2
17 18 19 20 21 22 23 24 25 26 27 28 29 30 31 32
INTO
TXD
RXD
CLK
VL4
C RSET
P12_3
VL3
VL2
VL1
P0_0
P0_1
P0_2
P0_3
P0_4
P0_5
64 63 62 61 60 59 58 57 56 55 54 53 52 51 50 49
WKUP0 1
VREF 2
MODE 3
XCIN 4
XCOUT 5
XOUT 7
VSS 8
XIN 9
VCC 10
P11_7 11
P11_6 12
P11_5 13
P11_4 14
P11_3 15
P11_2 16
RESET 6
P0_648
P0_747
P2_446
P2_545
P2_644
INT42
P3_141
P3_240
P3_339
P3_438
P3_537
P3_636
P3_735
P4_034
P4_133
P2_743
C13
50V/0.1uF
R30
47K
R31
4.7K
R62
10K
AH RAD
AH AMP
C7
50V/0.1uF
C8
50V/10uF
+
-
50V/10uF
+
-
VR
+12V
VDD
+5V
Q100 Q101
C9
C10
C12
J1 IC2
OUT
IN
GND
VSS 4
VDD 3
MODE 2
RESET 1
CN-P
R51
4.7K
R50
Q50
R52
ZD50
C102
50V/0.1u
R93
1.8KF
R94
R95 10K
C103
50V/0.1u
360KF
OUTA 1
-IN A 2
+IN 1 3
VEE 4
VCC8
OUTB7
+IN B6
+IN B5
IC5
R96
1W 160
R97
1W 160
D100
D101
C104
R98
10K
r99
10K
R101
3.32KD
R102
3.57KD
R103
10K
C105
R104
R105
R106
R107
R108
R109
37.4 KD
75KD
150KF
300KF
620K
10K
AH 5
AH4
AH 3
AH 2
AH 1
AH AMP
AH RAD
C106
50V/0.1u
CN-G
B03B-XNIRK-B-2(LF)(SN)
R70 1K
R71 100
R72 1K
R73 100
R74 1K
- This wiring information is provided for use by qualified service personnel only.
- Disconnect appliance from electrical supply before begining service.
- Be sure all grounding devices are connected when service is complete.
- Failure to observe the above warnings may result in severe electrical shock.

Related product manuals