EasyManua.ls Logo

Subaru EX40 - Page 13

Subaru EX40
84 pages
Print Icon
To Next Page IconTo Next Page
To Next Page IconTo Next Page
To Previous Page IconTo Previous Page
To Previous Page IconTo Previous Page
Loading...
-
11
-
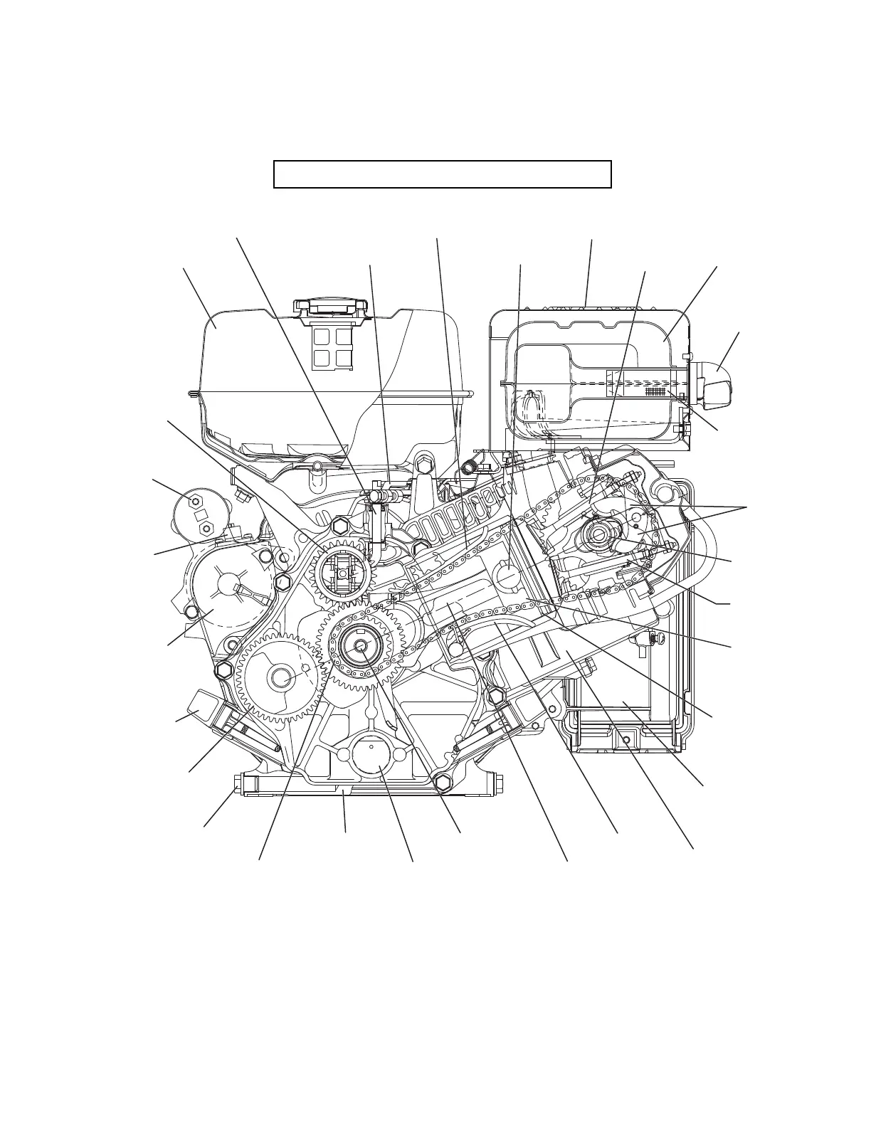
Fig.4-17
CRANKSHAFT
OIL SENSOR
(OPTION)
CONNECTING ROD
AIR CLEANER
BAFFLE 2
PISTON
TIMING CHAIN
OIL DRAIN PLUG
CRANKCASE
For without starting motorBuffle 1 is mounted, instead of starting motor.
INTAKE
VALVE
PISTON RING
OIL GAUGE
TENSIONER
STOP
SWITCH
BALANCER GEAR
CAMSHAFT
ROCKER
ARM
FUEL TANK
GOVERNOR LEVER
GOVERNOR SHAFT
CHAIN GUIDE
GOVERNOR
GEAR
MAGNETIC
SWITCH
STARTING
MOTOR
(OPTION)
PISTON PIN
MUFFLER COVER
EXHAUST
VALVE
MUFFLER
TAIL SCREEN
or DEFLECTOR
(OPTION)
SPARK
ARRESTER
(OPTION)
Cross sectional view – along the shaft

Related product manuals