EasyManua.ls Logo

Subaru EX40 - 8. IGNITION SYSTEM; 8-1 IGNITION COIL INTERNAL CIRCUIT; 8-2 BASIC THEORY

Subaru EX40
84 pages
Print Icon
To Next Page IconTo Next Page
To Next Page IconTo Next Page
To Previous Page IconTo Previous Page
To Previous Page IconTo Previous Page
Loading...
-
47
-
8. IGNITION SYSTEM
The ignition system is a pointless flywheel magneto with automatic advancing characteristic.
Being different from the breaker point type ignition system, this system is completely free from such troubles
as starting-up failure due to dirty, burnt or corroded point surface.
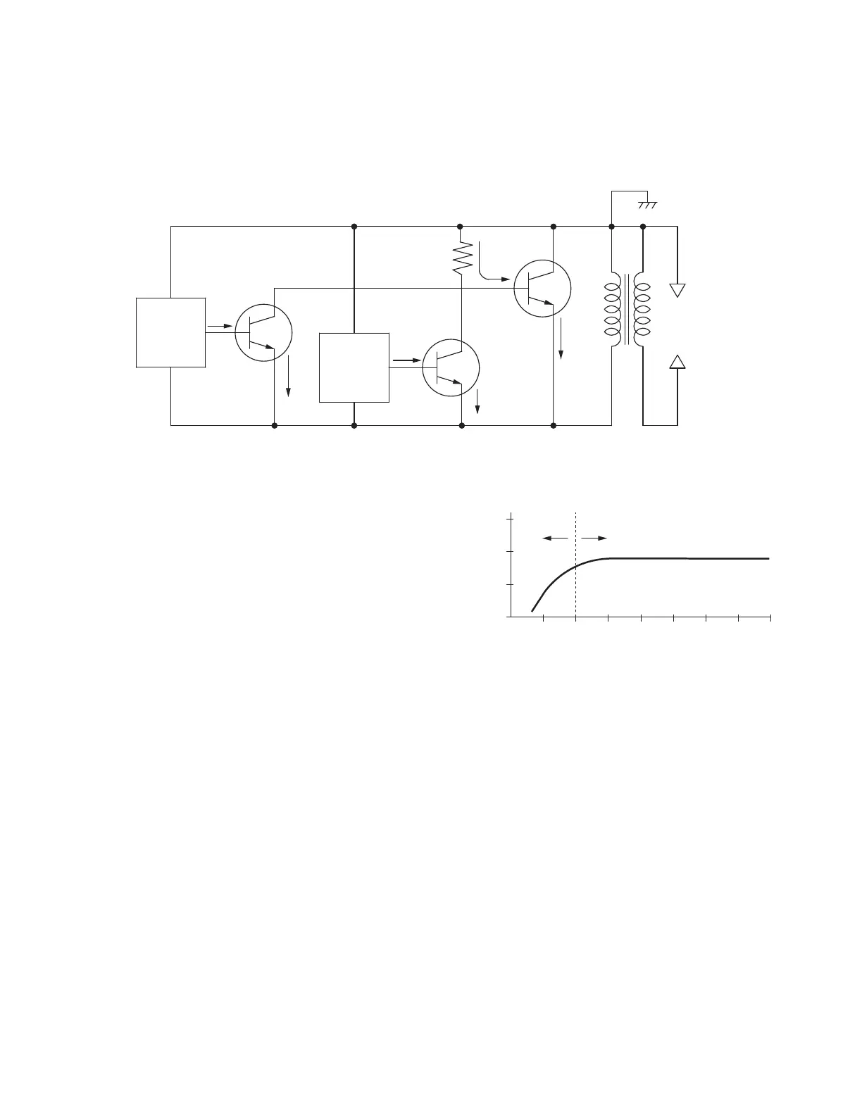
8-1 IGNITION COIL INTERNAL CIRCUIT
Fig.8-2
(b) At lower engine revolution, when the flywheel reached the ignition point the low speed ignition timing
control circuit () operates to run the base current I
3 to turn the signal transistor () “ON” allowing the
current I
1 to bypass as current I4.
At this moment the power transistor () turns “OFF” and the current I
2 is abruptly shut resulting in the
high voltage generated in the secondary coil () which produces sparks at the spark plug.
(c) At higher engine revolution, the advancing control circuit () operates at the ignition timing to run the
base current I
5 to turn the signal transistor () “ON” allowing the current I1 to bypass as current I6.
At this moment the power transistor () turns “OFF” and the current I
2 is abruptly shut resulting in the
high voltage generated in the secondary coil () which produces sparks at the spark plug.
The operating timing of the advancing control circuit advances in accordance with the increase of engine
speed resulting in the advancing of ignition timing as shown in Fig. 8-2.
ELECTRONIC ADVANCING FLYWHEEL
MAGNETO SYSTEM
High speedLow speed
(B.T.D.C)
(r.p.m.)
ENGINE REVOLUTION
q
q
q
q
    
LowSpeed
Ignition
Timing
Control Circuit
Automatic
Advancing
Control
Circuit
I
3
I
4
I
5
I
6
I
2
I
1
Signal Transistor
ԛ
Signal Transistor
Ԟ
Power Transistor
ԙ
Primary Coil
Ԙ
Secondary Coil
Ԝ
Ignition Coil
Spark Plug
Resister
IGNITION TIMING
Ԛ
ԝ
Fig.8-1
8-2 BASIC THEORY
(a) Revolution of the flywheel generates electricity on
the primary side of the ignition coil (), and the
base current I
1 flows to the power transistor ().
Current I
1 turns the power transistor “ON” and the
electric current I
2 flows. This is the same situation
when the contact breaker is closed in a case of
breaker point type ignition system.

Related product manuals