EasyManua.ls Logo

Subaru IMPREZA 1995 - LIGHTING (TAIL LIGHT⋅ILLUMINATION Light⋅Etc.) SYSTEM

Subaru IMPREZA 1995
95 pages
Print Icon
To Next Page IconTo Next Page
To Next Page IconTo Next Page
To Previous Page IconTo Previous Page
To Previous Page IconTo Previous Page
Loading...
18. LIGHTING
(TAIL LIGHTILLUMINATION LIGHTetc.) SYSTEM
GU21-02A
54
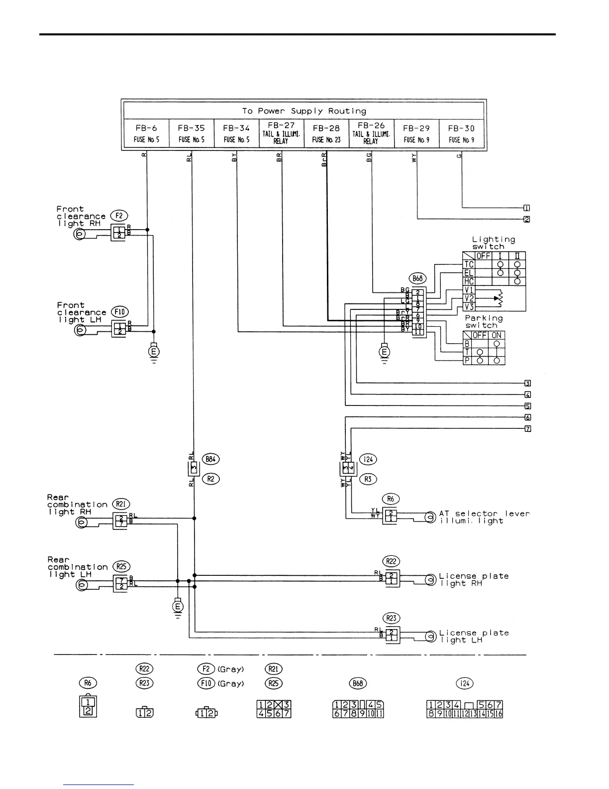
6-3 WIRING DIAGRAM
5. Wiring Diagram

Related product manuals