EasyManua.ls Logo

Subaru IMPREZA 1995 - Electrical Wiring Harness and Ground Point Locations; Harness Routing Diagrams

Subaru IMPREZA 1995
95 pages
Print Icon
To Next Page IconTo Next Page
To Next Page IconTo Next Page
To Previous Page IconTo Previous Page
To Previous Page IconTo Previous Page
Loading...
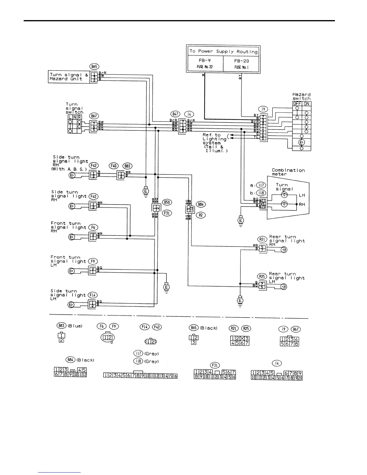
32. TURN SIGNAL AND HAZARD SYSTEM
GU26-01
71
6-3WIRING DIAGRAM
5. Wiring Diagram

Related product manuals