EasyManua.ls Logo

Sufag Eco - Page 16

Sufag Eco
25 pages
Print Icon
To Next Page IconTo Next Page
To Next Page IconTo Next Page
To Previous Page IconTo Previous Page
To Previous Page IconTo Previous Page
Loading...
____________________________________________________________________________________
Operating Manual access/eco/peak/power/silent Page
16
2
O
PERATION
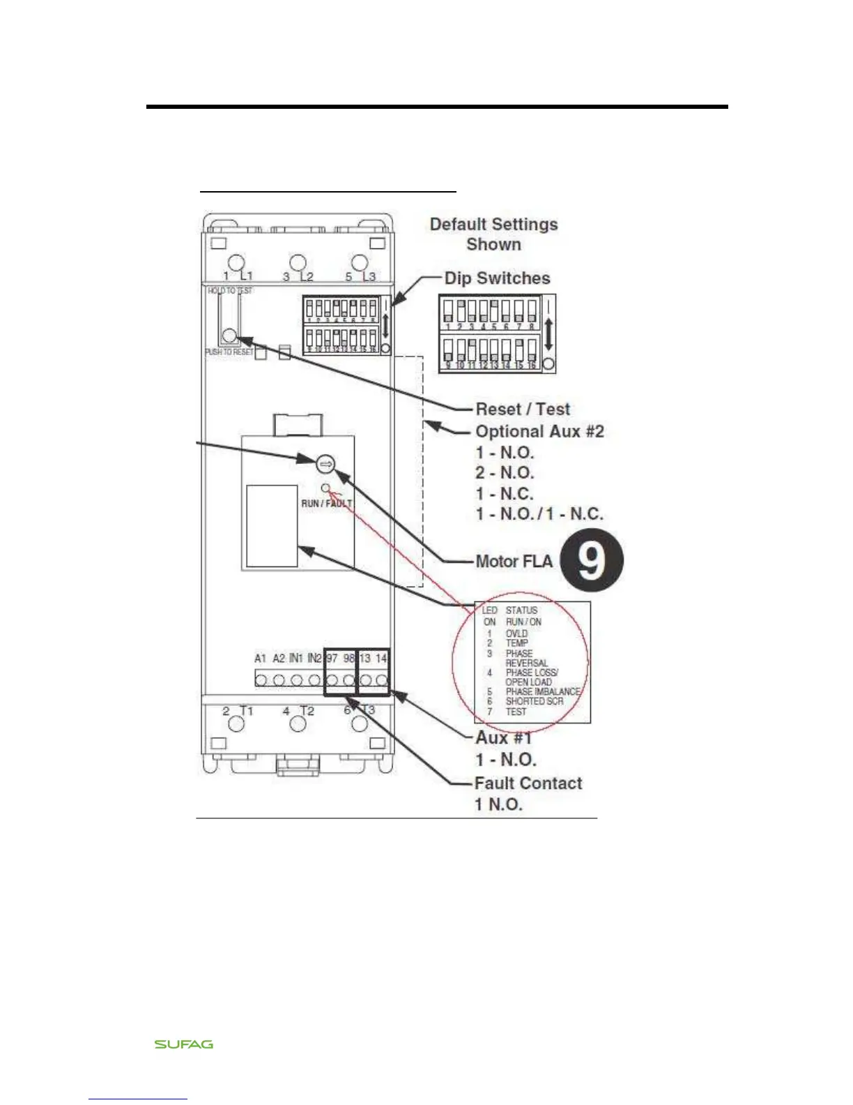
DO NOT CHANGE dip switch settings.

Related product manuals