EasyManua.ls Logo

Sullair SRC Series - Page 36

Sullair SRC Series
66 pages
Print Icon
To Next Page IconTo Next Page
To Next Page IconTo Next Page
To Previous Page IconTo Previous Page
To Previous Page IconTo Previous Page
Loading...
SRC-- 1 5 0 --- S RC -- 1000
34
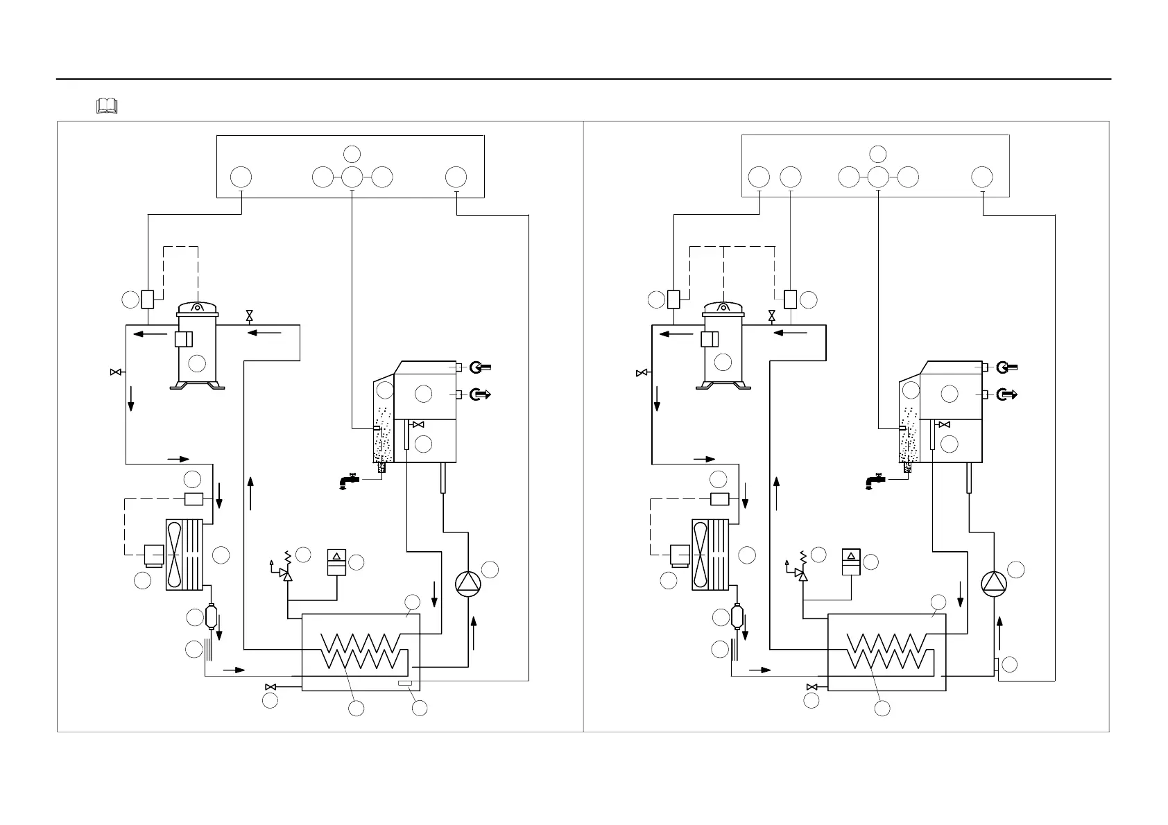
8.7 Refrigerant circuit / Circuits de fluide frigorigène / Circuitos de refrigerante
SRC-- 150 --- SRC-- 200
9
3
12
2
7
8
10
15
5
4
HP
14
6
20
13
22
18
T0 LdHd B2
11
1
A1
SRC-- 250 --- SRC-- 500
9
3
12
2
7
8
10
15
5
4
HP
14
6
20
13
18
B1 LdHd B2LP
16
19
1
22
A1

Related product manuals