EasyManua.ls Logo

Sullair SRC Series - Page 35

Sullair SRC Series
66 pages
Print Icon
To Next Page IconTo Next Page
To Next Page IconTo Next Page
To Previous Page IconTo Previous Page
To Previous Page IconTo Previous Page
Loading...
33
SRC-- 1 5 0 --- S RC -- 1000
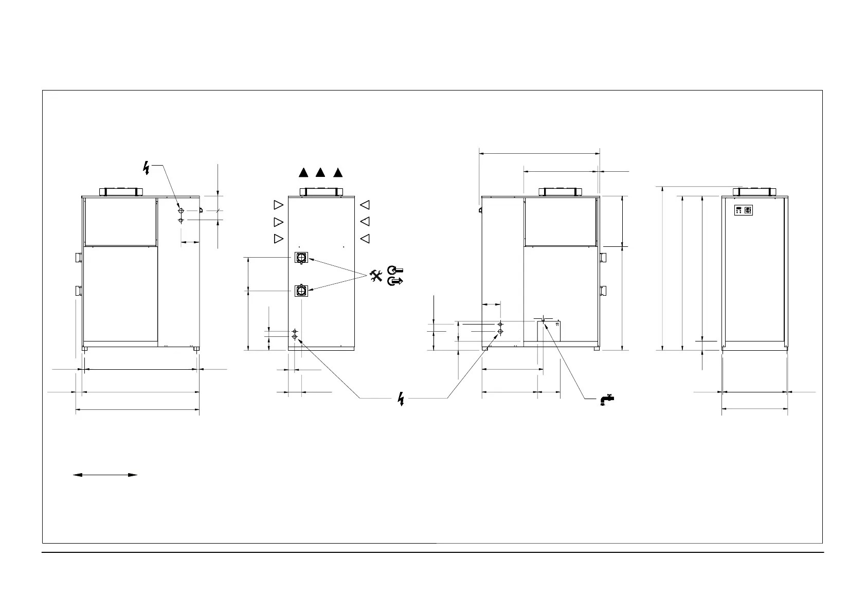
, Dimensional drawing / Cotes / Dibujos de dimensiones SRC-- 700 --- SRC-- 1000
150 60 (2.4)
70 (2.7)
658 (25.9) 370 (14.6)
145 (5.7)
1333 (52.4)
20 (0.8)821 (32.3)
558 (22)1150 (45.3)
100
1608 (63.3)
1708 (67.2)
A
30 (1.2)1240 (48.8)30 (1.2)
1300 (51.2)
220
250615 (24.2)
678 (26.7)
100 (3.9)
10 (0.4)
730 (28.7)
10 (0.4)710 (28)
1370 (53.9)
70 (2.7)
211
151 (5.9)60 (2.4)
(8.3)
(No. 4 holes 4 10)
(5.9)
(8.7)
(9.8)
(3.9)
188
60 (2.4)
(7.4)
221
(8.7)
ASRC-- 700 --- SRC -- 850 = 1812 (71.3)
SRC-- 1000 = 1844 (72.6)
(inches)
mm

Related product manuals