EasyManua.ls Logo

Sumitomo F-70L - Page 40

Sumitomo F-70L
46 pages
Print Icon
To Next Page IconTo Next Page
To Next Page IconTo Next Page
To Previous Page IconTo Previous Page
To Previous Page IconTo Previous Page
Loading...
Troubleshooting
36
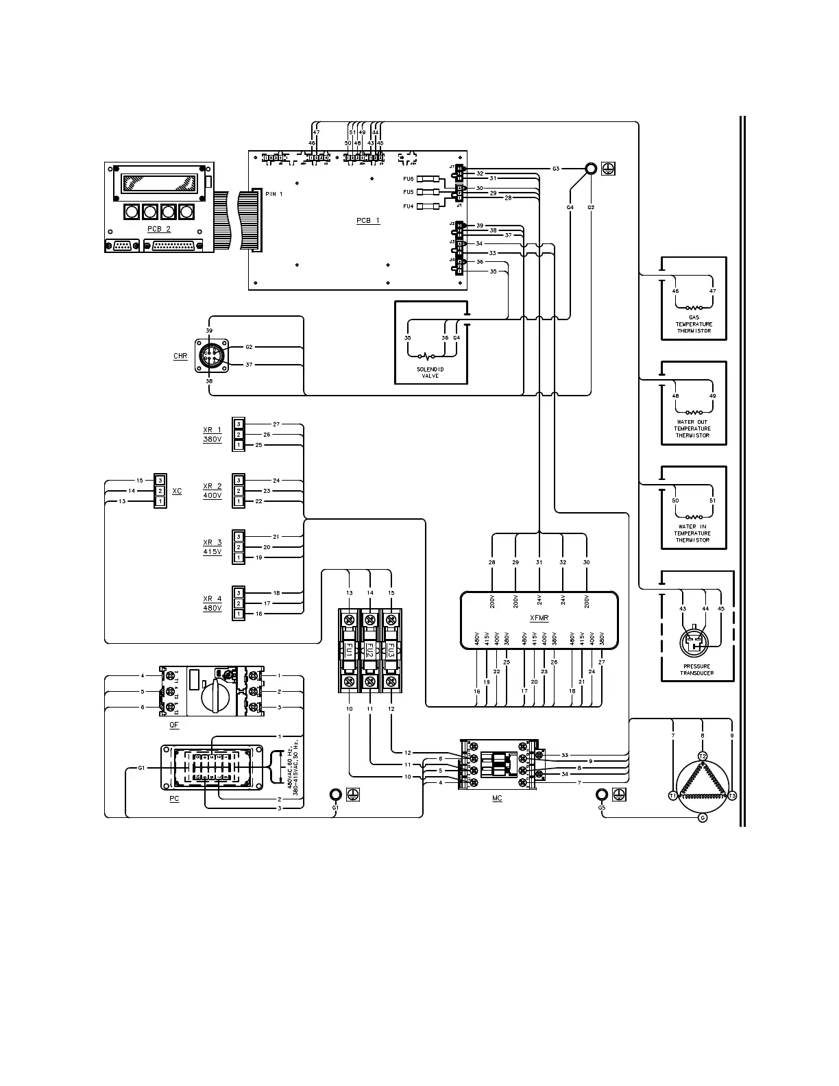
Figure 4 F-70H Compressor Wiring Diagram

Related product manuals