EasyManua.ls Logo

Sundown Audio SALT-8 - Power Connections; +12 V Battery Connection; Ground Connection; Remote Turn-On Connection

Default Icon
12 pages
Print Icon
To Next Page IconTo Next Page
To Next Page IconTo Next Page
To Previous Page IconTo Previous Page
To Previous Page IconTo Previous Page
Loading...
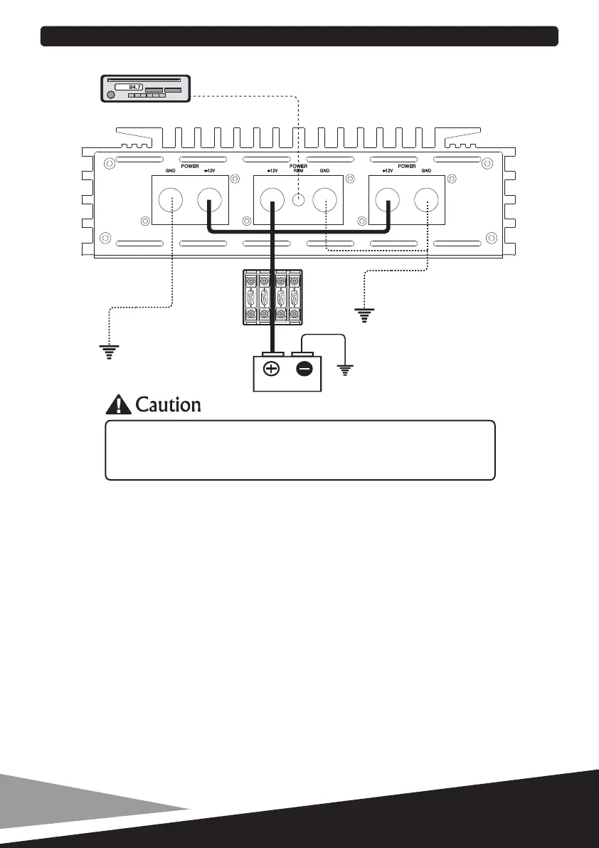
+12V Battery
You need to connect a power wire to the vehicle’s positive battery terminal. This connection must be
tight and secure to ensure proper connectivity. This wire has to be fused appropriately ( see each
amplifier’s fuse rating under specifications ) within 12 to 16 inches for safety. You will then need to
connect the power wire to the 12+ terminal of the amplifier with a Phillips screw driver.
Do not install the fuses until installation is complete.
Ground Connection
The ground connection must be made to the vehicle’s chassis and should be kept as short as possible,
while accessing a solid piece of sheet metal in the vehicle. The surface should be sanded at the contact
point to clean rust, paint or grime so a metal-to-metal connection between the chassis and the termination
of the ground wire is effective. You will then need to connect the ground wire to the GND terminal of
the amplifier with a Phillips screw driver.
Remote
The +12V remote turn-on wire is typically controlled by the source unit’s remote turn-on output.
The amplifier will turn on when +12V is present at its remote ( REM ) input and turn off when +12V is
switched off. Connect the remote wire using 12 to 16 gauge wire to the REM connection of
the amplifier with Phillips screw driver, then connect the other end of the remote wire to either the source
unit’s turn on output or ignition switch circuit
HEADUNIT
GROUND
GROUND
GROUND
Battery Voltages
SALT-4
SALT-6
SALT-8
SALT-12
SALT-200.2
SALT-400.2
SALT-200.4
SALT-300.4
SALT-500.4
BATTERY
POWER CONNECTIONS
SALT-4, SALT-6, SALT-8, SALT-12,
SALT-200.2, SALT-400.2, SALT-200.4, SALT-300.4 & SALT-500.4
are not supplied with internal fuse in themselves.
Make sure you install in-line fuse holder from Positive terminal of Battery
3
: 9V-15.5Volts
: 9V-15.5Volts
: 9V-15.5Volts
: 9V-15.5Volts
: 9V-15.5Volts
: 9V-15.5Volts
: 9V-15.5Volts
: 9V-15.5Volts
: 9V-15.5Volts

Related product manuals