EasyManua.ls Logo

Sunfire True Subwoofer Architectural - Speaker Level Connections; Connections

Sunfire True Subwoofer Architectural
20 pages
Print Icon
To Next Page IconTo Next Page
To Next Page IconTo Next Page
To Previous Page IconTo Previous Page
To Previous Page IconTo Previous Page
Loading...
User's Manual
9
Please consider the following when
setting up your new system :
Before making or changing any
connections, ALWAYS make sure
that the subwoofer is unplugged
from the wall and your other
components are turned OFF. Also
turn down the volume control of the
subwoofer and your preamplifier or
receiver.
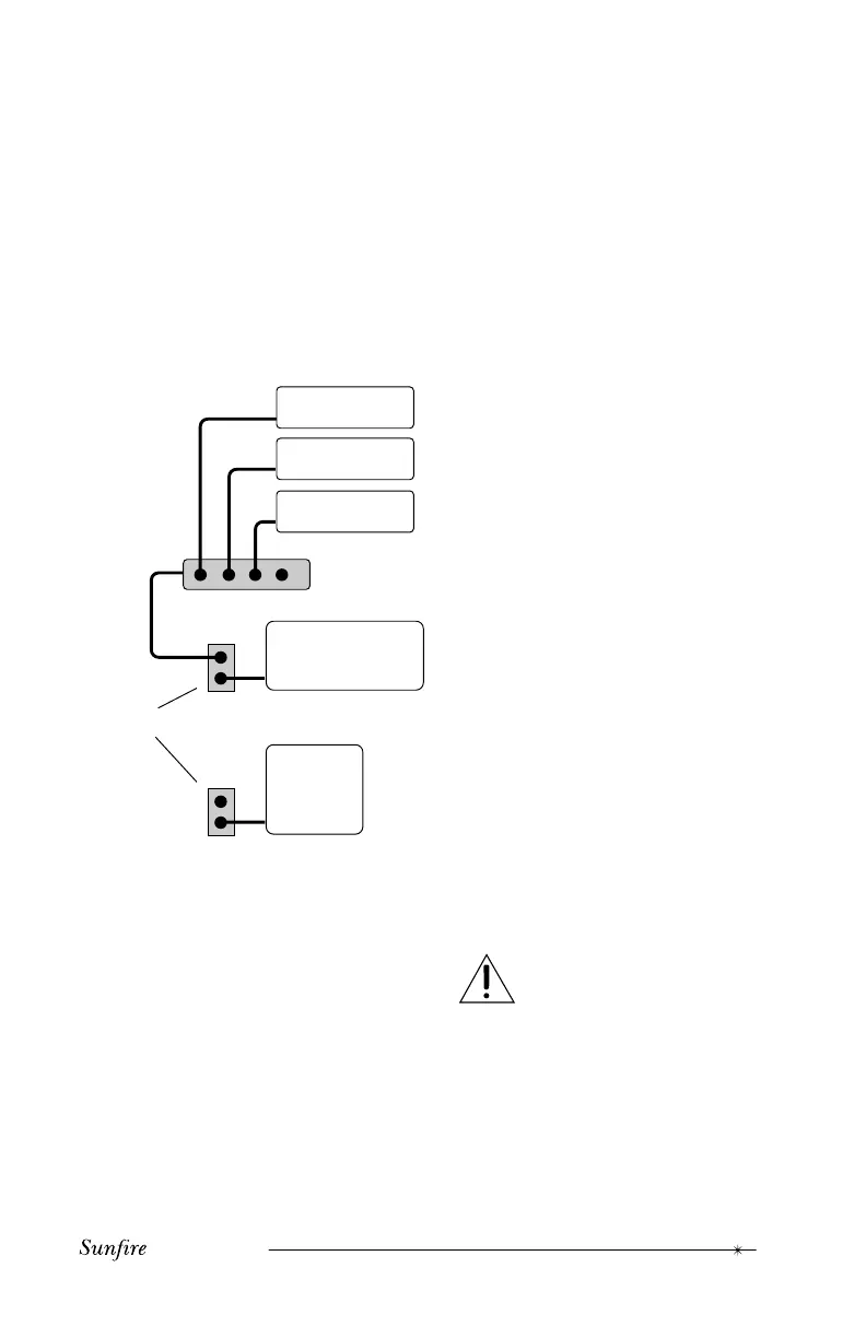
This diagram shows all the low
power components sharing a power
strip which is connected to the
same outlet used by the amplifier.
The subwoofer is connected to an
outlet on the same circuit breaker,
provided that the total system
current draw does not exceed the
circuit breaker current rating.
This arrangement will reduce the
possibility of an audible hum in your
system caused by a ground loop.
Whenever possible, keep the
powercords away from the signal
cables or speaker wires to prevent
any hum or interference being
heard in the speakers.
Choose reliable, high quality
interconnect cables, also called
patch cords or RCA cables. They
should be fully shielded and as short
as possible for the job. The longest
cable in your system will likely be
to the subwoofer, so choose a
good quality brand.
Some patch cords can be a very
tight fit and there is usually a
preferred method of getting them
off. Some have to be removed with
a twisting action. Be gentle or you
may damage the jacks of the
subwoofer or your other compo-
nents.
Speaker Level connections
The subwoofers Speaker Level
inputs can accept speaker wires
with banana, dual-banana, bare
wire or spade terminals. If you
have banana type connectors on
your speaker wire, make sure that
you tighten the binding posts
before inserting.
Make sure that the negative
speaker wires never touch the
positive wires as this will short out
and possibly damage your amplifier
or receiver.
The subwoofers two negative
posts are joined internally
(common-grounded). Your
amplifier must also be internally
common-grounded or you cannot
use this connection. Contact the
manufacturer of your amplifier to
make sure its outputs are common
grounded.
Tape Deck
DVD
Preamplifier
Power strip
Subwoofer
Amplifier
AC outlets on the same circuit breaker
Connections

Related product manuals