EasyManua.ls Logo

Sungrow SH8.0RT - Page 59

Sungrow SH8.0RT
166 pages
Print Icon
To Next Page IconTo Next Page
To Next Page IconTo Next Page
To Previous Page IconTo Previous Page
To Previous Page IconTo Previous Page
Loading...
47
NO. SH5.0/6.0RT/8.0/10RT SH5.0/6.0RT/8.0/10RT-20
Depends on loads
Depends on household loads and inverter capacity
⑥⑦
30mA RCD (Comply with local regulation)
Note: * If the battery is integrated with a readily accessible internal DC breaker, no additional
DC breaker is required.
Note: The values in the table are recommended values and can be set to other values ac-
cording to actual conditions.
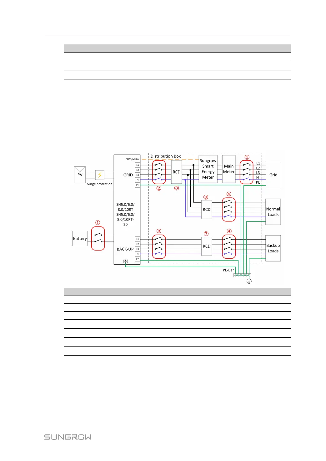
Backup Wiring Diagram (Other Countries)
The following diagram is an example for grid systems without special requirement on wiring
connection.
NO. SH5.0/6.0RT/8.0/10RT SH5.0/6.0RT/8.0/10RT-20
40A/600V DC breaker *
32A/400V AC breaker
25A/400V AC breaker
Depends on loads
Depends on household loads and inverter capacity (Optional)
⑥⑦
30mA RCD (Recommended)
300mA RCD (Recommended)
Note: * If the battery is integrated with a readily accessible internal DC breaker, no additional
DC breaker is required.
Note: The values in the table are recommended values and can be set to other values ac-
cording to actual conditions.
Backup Wiring Diagram TT System
The following diagram is an example for grid systems without special requirement on wiring
connection.
User Manual 6 Electrical Connection

Table of Contents

Other manuals for Sungrow SH8.0RT

Related product manuals