EasyManua.ls Logo

sunjoe AJ805E - Page 49

sunjoe AJ805E
56 pages
Print Icon
To Next Page IconTo Next Page
To Next Page IconTo Next Page
To Previous Page IconTo Previous Page
To Previous Page IconTo Previous Page
Loading...
49
Remplacement/changement du
dispositif de coupe
mAVERTISSEMENT! Avant de changer ou de
remplacer le dispositif de coupe, toujours couper le moteur de
la machine, la débrancher et la laisser refroidir.
mAVERTISSEMENT! Le dispositif de coupe est très
acéré et devient chaud pendant son utilisation. Le manipuler
avec précaution.
mAVERTISSEMENT! Pour éviter les blessures, par
exemple les brûlures et les coupures, porter des gants de
sécurité pour manipuler le dispositif de coupe.
mAVERTISSEMENT! Avant d’utiliser la machine,
s’assurer que tous les boulons sont serrés. Ne pas utiliser
la machine si des boulons manquent, sont desserrés ou
endommagés.
La machine a deux fonctions, le scariage et l’aération par
ratissage. Le rouleau scaricateur est préassemblé sur la
machine. Le rouleau d’aération par ratissage est inclus dans la
caisse d’expédition. Le rouleau peut être changé en fonction
du travail que l’on souhaite faire (Fig. 12).
mAVERTISSEMENT! Avant de procéder à une tâche
d'entretien quelconque, toujours débrancher l’alimentation
électrique de la machine et attendre que le rouleau à dents
s’arrête complètement. Porter des gants de protection pour la
manipulation des dents.
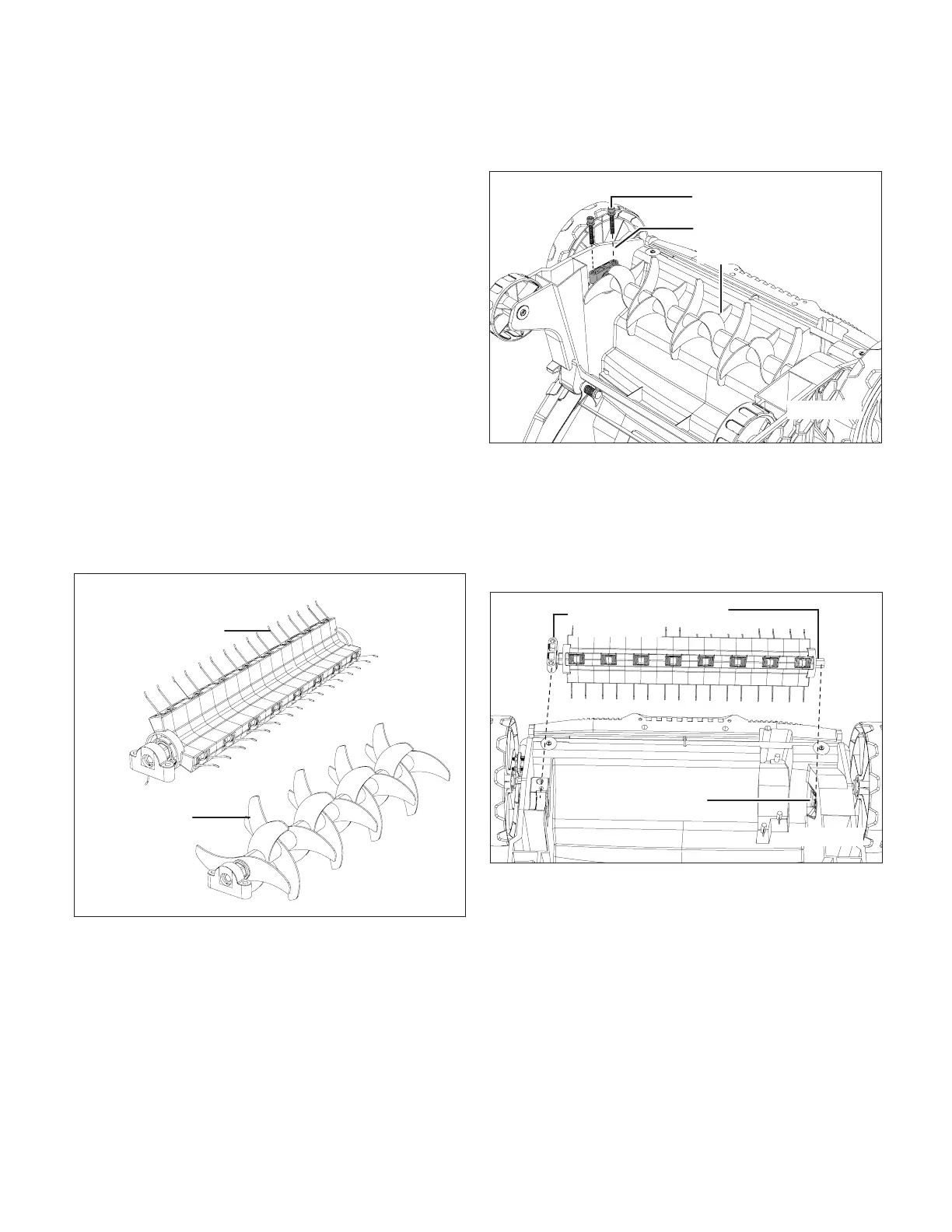
1. Retirez le sac à chaume.
2. Pour accéder au dessous de caisse, retournez la machine
sur une surface plane et stable.
3. Desserrez les deux boulons d’arrêt à l’aide de la clé
hexagonale fournie, retirez-les en même temps que le
dispositif de coupe amovible (Fig. 13).
4. Pour retirer le dispositif de coupe, levez d’abord l’assise
de coussinet et tirez-le ensuite pour le dégager de l’arbre
d’entraînement.
5. Alignez et insérez l'autre dispositif de coupe : faites glisser
l'écrou hexagonal dans la douille de l'arbre d'entraînement
et attachez l'assise de coussinet au support à l'aide des
boulons d'arrêt (Fig. 14).
mAVERTISSEMENT! S’assurer que le dispositif de
coupe (rouleau d’aération par ratissage) est inséré de façon
appropriée. S’assurer que le demi-cercle sur l’assise de
coussinet du rouleau s’enfonce dans la machine. Si le demi-
cercle fait face vers le haut, c’est qu’il a été mal inséré (Fig. 15).
Fig. 12
Rouleau
scaricateur
à lames
Rouleau d’aération
par ratissage à
dents en métal à
ressort
Fig. 13
Boulon d’arrêt
Rouleau scaricateur
Assise de coussinet
Fig. 14
Écrou
hexagonal
Douille
Assise de
coussinet

Related product manuals