EasyManua.ls Logo

SurgeX SX2120-SEQ - Page 21

SurgeX SX2120-SEQ
26 pages
Print Icon
To Next Page IconTo Next Page
To Next Page IconTo Next Page
To Previous Page IconTo Previous Page
To Previous Page IconTo Previous Page
Loading...
21
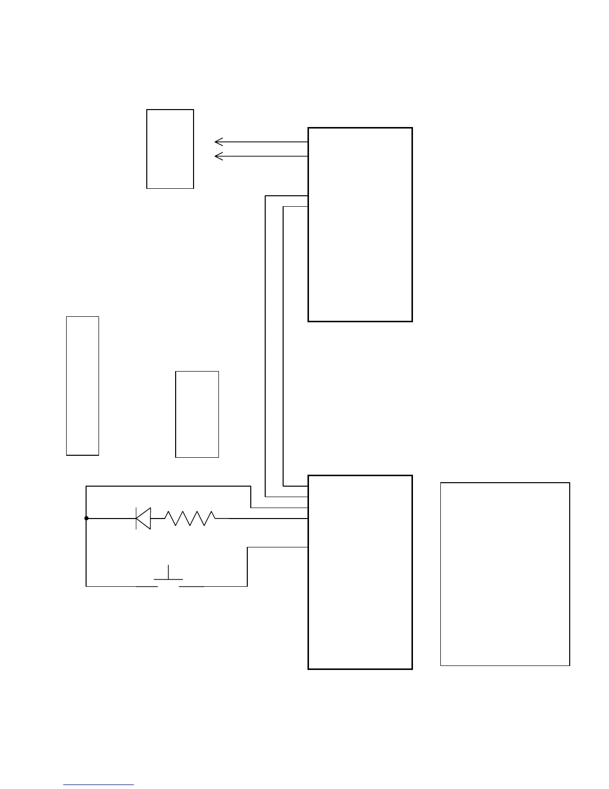
Expanded System
A-ON C B A 1 2 3 4 5 6 7
SX2120-SEQ
A-On Switched 1 2 3 4 5 6 7
SX1120-RT
LED and 1K,
1/4W Resistor
Confirmation
(If Required)
Program:
Up & Down Inputs = One Mom.
12v dc Output = LED
Aux Sync = A, B or C
Aux Delay On = [Set as Needed]
Aux Delay Off = [Set as Needed]
Figure 3