EasyManua.ls Logo

swimmax 07iPS - Electrical Wiring; Electrical Wiring Schematics

swimmax 07iPS
50 pages
Print Icon
To Next Page IconTo Next Page
To Next Page IconTo Next Page
To Previous Page IconTo Previous Page
To Previous Page IconTo Previous Page
Loading...
- 13 -
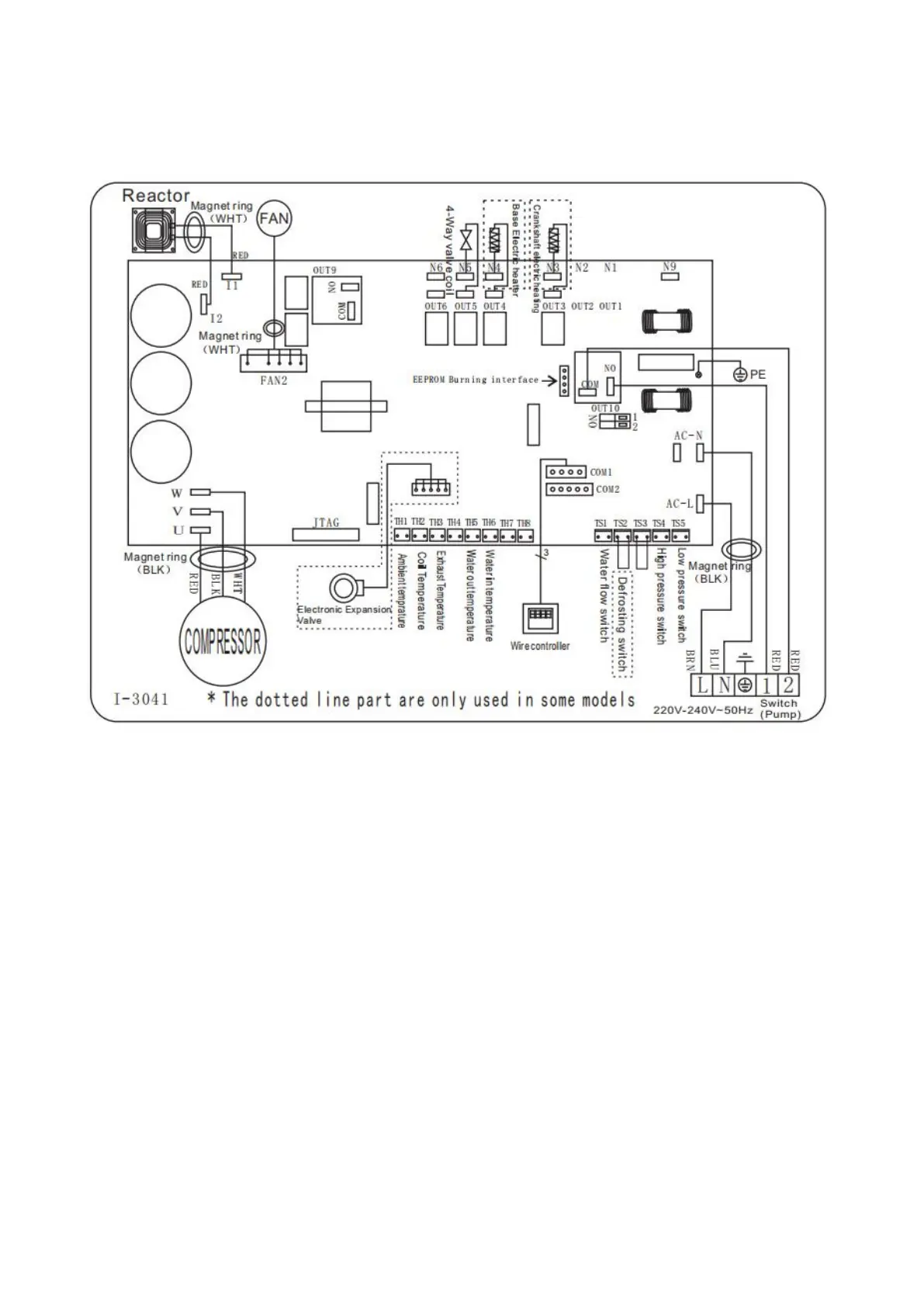
6. Electrical Wiring
6.1 Inverter swimming pool heat pump wiring diagram
Swimmax 07iPS/Swimmax 11iPS/Swimmax 17iPS/Swimmax 20iPS/Swimmax 25iPS
* Above electrical wiring diagram only for your reference, please subject machine posted the wiring diagram.

Related product manuals